Подключение трехфазного счетчика полукосвенного включения
Данные приборы включаются в сеть через трансформаторы тока, благодаря чему появляется возможность использовать их в сетях с довольно высокими мощностями (до 60кВт). Используя такой способ учета, для определения расхода нужно разность показаний умножать на установленный коэффициент трансформации.
Существует несколько разновидностей подключения счетчиков полукосвенного подключения.
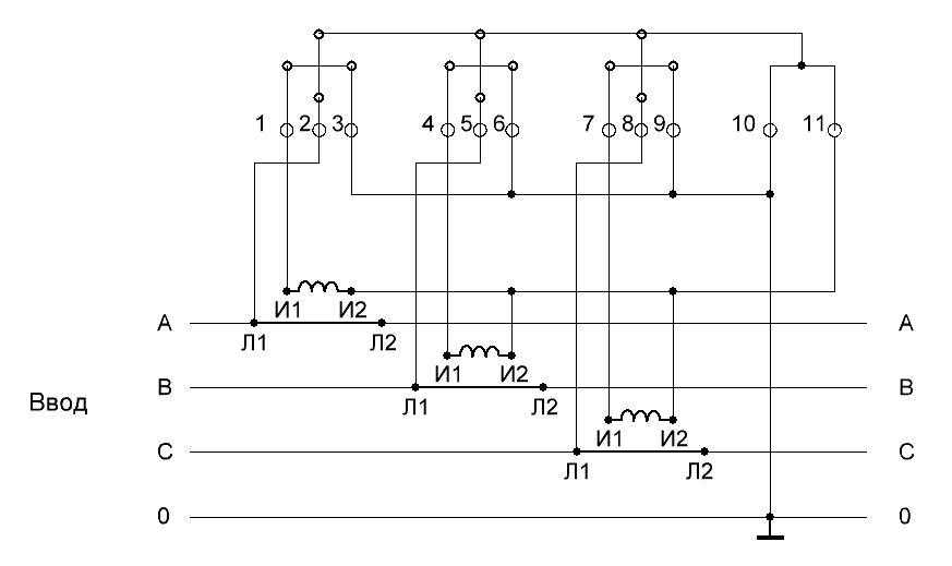
1 Подключение трансформаторов тока «звездой»
Процесс подключения проводов имеет вид:
- контакты 3, 6, 9, 10 – замыкаются и подключаются к нулевому проводу;
- контакты И2 – замыкаются, подключаются к клемме 11;
- 1 – к И1 фазы А;
- 4 – к И1 фазы В;
- 7 – к И1 фазы С;
- 2 – к Л1 фазы А;
- 5 – к Л1 фазы В;
- 8 – к Л1 фазы С.
Рисунок — Схема подключения «звездой»
3. Подключение трехфазного счетчика косвенного подключения
Эти устройства предназначены для выполнения учета электроэнергии на высоковольтных присоединениях (6-10кВ и более), подключение реализуется при помощи трансформаторов напряжения, тока.
Ниже представлены основные схемы подключения трехфазных счетчиков через трансформаторы тока и напряжения:
1) Схема включения трехэлементного счетчика в четырехпроводную сеть с заземленной нейтралью: (рисунок ниже) 
2) Схема включения трехэлементного счетчика в четырехпроводную сеть. Три трансформатора тока, прямое подключение к напряжению:(рисунок ниже) 
3) Схема включения трехэлементного счетчика к трехпроводной линии — два трансформатора тока, три трансформатора напряжения: (рисунок ниже)

При подключении трехэлементного счетчика по схеме №3:
- ток по фазе В вычисляется с вычетом тока нулевой последовательности;
- не используются токи прямой, обратной и нулевой последовательности основной частоты (симметричные составляющие);
- активная и реактивная мощности по фазе В вычисляются с вычетом тока нулевой последовательности из фазного тока;
- учет электрической энергии ведется с учетом вышеприведенных замечаний.
4) Схема включения двухэлементного счетчика к трехпроводной линии — два трансформатора тока, два трансформатора напряжения (рисунок ниже)

При подключении счетчика по схемам №4 и №5:
- не измеряется напряжение нулевой последовательности основной частоты (симметричные составляющие);
- не измеряются токи прямой, обратной и нулевой последовательности основной частоты (симметричные составляющие);
- мощности присоединения вычисляются по формулам;
- учет электрической энергии ведется с учетом вышеприведенных замечаний.
5) Схема подключения двухэлементного счетчика к трехпроводной линии – два трансформатора тока, прямое подключение по напряжению (рисунок ниже)

Внимание!: Возможность подключения по конкретной схеме должна быть указана в паспорте или руководстве на конкретный тип счетчика. {SOURCE}
{SOURCE}
Что такое трехфазный электрический счетчик?

Как выглядит трехфазный электрический счетчик? Фото № 1
Трехфазный электрический счетчик – это стандартный прибор учета, устанавливаемый в отдельных жилых помещениях или в их комплексах. Главной функцией данного устройства является проведение подсчета потребляемой в конкретном жилище электроэнергии и отражение сформированных показаний в удобной для человека форме.
Отличие трехфазного счетчика от однофазного заключается в том, что первый способен работать в более загруженных сетях, менее прихотлив в использовании и более точен в показаниях. Однако для небольших жилых помещений особого смысла в установке трехфазных приборов учета нет, так как все необходимые показания в полной мере сможет отображать и однофазное устройство. В любом случае, на территории нашей страны с одинаковой частотой применяют оба вида электросчетчиков.
Различить между собой трехфазный и однофазный счетчик очень просто – достаточно обратить внимание на то, сколько проводов подходит к прибору:
- если 3 и менее – устройство работает на одной фазе;
- если более 3 – устройство трехфазное.
Защита
Датчик магнитного поля – фиксирует воздействие магнитного поля на прибор и прекращает подачу электричества. В результате становится невозможным хищение электроэнергии с помощью воздействия на счетчик магнитным полем.
Электронная пломба – не позволяет тайно вскрыть переднюю панель счетчика для получения несанкционированного доступа к клеммам.
От хищения электроэнергии – фиксация завышенных и заниженных фазных напряжений, неправильных подключений, обратного направлении тока.
Регистрация вмешательств – определяет и регистрирует различные попытки несанкционированного воздействия на электросчетчик.
Подключение трехфазного счетчика прямого включения
13 Июл 2018г | Раздел: Электрика
Здравствуйте, уважаемые читатели сайта sesaga.ru. Для учета потребляемой электрической энергии в трехфазных четырехпроводных цепях переменного тока применяют трехфазные электрические счетчики, разделяющиеся по типу подключения на счетчики непосредственного включения, полукосвенного и косвенного включения.
Газовый счетчик вк g4t на сайте gazo-schetchik.ru
Счетчики полукосвенного и косвенного включения предназначены для работы в мощных электрических сетях и применяются для учета энергии на крупных строительных объектах, промышленных предприятиях, заводах и т.п.
Счетчик измеряет потребляемую энергию с помощью разделительных трансформаторов тока, которые устанавливают на каждую фазу. Трансформаторы преобразуют входной сигнал тока до определенной величины, который затем поступает в измерительную часть счетчика.
Отсюда и происходит название способа включения, потому что в процессе измерения ток сначала проходит через трансформаторы и понижается до рабочего диапазона счетчика, и только потом попадает в его измерительную часть. Поэтому за счет применения трансформаторов счетчики косвенного и полукосвенного включения могут работать с нагрузкой в несколько раз превышающей их рабочий ток.
Счетчики непосредственного включения применяются для учета потребляемой энергии в электрической сети маломощного потребителя. Измерение электроэнергии осуществляется внутренней схемой самого счетчика, которая подключается непосредственно к трехфазной четырехпроводной сети переменного тока. И хотя такое включение ограничено максимальным током, который способен пропустить счетчик и ограничено величиной 100 Ампер, однако этого тока вполне достаточно для домашней электрической сети.
На примере трехфазного счетчика непосредственного включения «Энергомера» я расскажу Вам, как его включить в трехфазную сеть. В принципе, схема подключения дается в руководстве по эксплуатации и дополнительно изображена на корпусе счетчика, поэтому проблем с подключением возникнуть не должно. Однако эти схемы имеют один минус – на них не показано включение коммутационной аппаратуры.
Сейчас мы этот минус устраним.
Итак. Для подключения нам понадобится счетчик, два автоматических выключателя и нулевая шинка. Автомат, который будет стоять на вводе (перед счетчиком), желательно установить четырехполюсный, чтобы при необходимости или возникновении аварийной ситуации можно было полностью отключить себя от линии.
Чтобы добраться до клеммной колодки необходимо открутить винт и снять нижнюю крышку. На рисунке винт обозначен кружком.
Сначала подключим вводной автомат.
С выходных клемм автомата фазы А, В, С (белый провод) подключают на входные клеммы счетчика 1-3-5, а ноль N (синий провод) на клемму 7.
В процессе монтажа провод от изоляции очищают следующим образом: конец провода, подключаемый к выходной клемме автоматического выключателя, очищают от изоляции на длину 8 – 10 мм, а конец, подключаемый к клемме счетчика, очищают на длину 27 – 30 мм.
При подключении провода к счетчику откручивают оба винта контактного зажима. Провод вставляют до упора и первым закручивают верхний винт. Легким подергиванием провода убеждаются, что он плотно зажат и если зажат, то затягивают нижний винт.
Совет. Если счетчик предполагается использовать в частном доме или квартире, то монтаж внутренних соединений выполняется медным проводом сечением 4мм². Использовать провод сечением свыше 4мм² нет смысла, так как для домашнего потребителя Россеть более 15 кВт не дает и по техническим условиям вводной автомат разрешает устанавливать на нагрузку не более 25 Ампер. А рабочий ток медной жилы сечением 4мм² составляет приблизительно 32 Ампера, чего вполне достаточно.
Продолжаем.
С выходных клемм счетчика 2-4-6 провода фаз А, В, С подключаются на входные клеммы автоматического выключателя, с выхода которого трехфазное напряжение поступает в домашнюю электрическую сеть. С клеммы 8 нулевой провод N подключается к нулевой шинке.
А вот как выглядит полная монтажная схема включения трехфазного счетчика.
Теперь если подать напряжение на счетчик, то на его лицевой панели должен зажечься световой индикатор «Сеть». А при подключении нагрузки световой индикатор «600 imp/kW•h» (или «400 imp/kW•h» — в зависимости от исполнения) должен мигать.
Также рекомендую посмотреть ролик о включении трехфазного счетчика прямого включения в трехфазную электрическую сеть.
Тарификация
Но если выбор по техническим характеристикам достаточно прост для рядового пользователя, то некоторые особенности современных приборов учета электроэнергии могут озадачить даже опытного электрика, поэтому необходимо ознакомиться с типовым набором функций того или иного прибора учета.
Первое на что стоит обратить внимание – это возможность многотарифного учета. В РФ наиболее распространен однотарифный и двухтарифный учет, но есть еще и многотарифная тарификация
Основная особенность многотарифного учета – это разница в стоимости электроэнергии в разное время суток. Например, в Москве по двухтарифной системе для домов с газовыми плитами днём 1 кВт/ч стоит 6 рублей 18 копеек, а ночью 2 рубля 29 копеек, в то время как по однотарифной системе 5 рублей 38 копеек независимо от времени суток.
При этом стоимость однотарифного счетчика ТМ «ЭНЕРГОМЕРА» CE101 R5.1 145 – около 600 рублей, а многотарифный CE102 R5.1 145-J – около 1200 рублей. Многотарифная система выгодна тем, у кого, например, электрическое отопление. Таким образом, можно запрограммировать контроллер котла так, чтобы пик нагрева помещений приходился на ночное время, а днем котел работал на минимальной мощности. Тем же, у кого потребление в течение суток равномерно, зачастую невыгодна многотарифная система. Ведь в результате сумма к оплате остаётся примерной той же, что и на едином тарифе.
Компания ЭНЕРГОМЕРА предлагает следующие решения:
Критерии выбора трёхфазного электросчётчика: на что обратить внимание при покупке
Приобретение подобного оборудования – довольно ответственное мероприятие. Ведь шутки с электричеством могут закончиться весьма плачевно
Поэтому стоит тщательно изучить все нюансы, на которые следует обратить внимание. Основной критерий – это качество продукции и его стоимость
Не стоит обращать внимание на прибор учёта электроэнергии, цена которого значительно ниже, чем у других моделей. Корпус прибора должен быть выполнен аккуратно. Торчащие по швам излишки пластика, как и его неравномерный цвет, должны насторожить покупателя. А приобретать электросчётчики нужно только в проверенных специализированных магазинах.
В частных домах можно собрать трёхфазный щит довольно аккуратноФОТО: drive2.ru
Что касается технических характеристик, то основное внимание необходимо обратить на два параметра – тип работы прибора и его конструктивное исполнение
Разделение электросчётчиков по типу работы
Выбор между аналоговым или электронным прибором учёта электроэнергии остаётся полностью за потребителем. Конечно, первый вариант является более простым и, как следствие, имеет меньшую стоимость. Однако впоследствии расходы по счетам могут быть выше по причине отсутствия возможности учёта с разделением тарифов.
Электронные модели на сегодняшний день более востребованы. Они позволяют экономить средства на разнице стоимости электроэнергии в дневное и ночное время. Переплатив при покупке, пользователь получает возможность платить меньше впоследствии. Но если планируется установка прибора учёта на подачу электроэнергии в помещение, где все работы производятся только днём, то многотарифное оборудование устанавливать будет невыгодно и даже убыточно.
Многотарифный счётчик «Энергомера»ФОТО: shuchin.deal.by
Конструктивное исполнение электросчётчиков: особенности некоторых моделей
Не все знают, что трёхфазные счётчики электроэнергии могут включаться в цепь по-разному. В бытовых электросетях, где нагрузки не слишком велики, используются приборы учёта прямого включения. Это привычная всем коммутация, при которой питание проходит непосредственно через счётчик.
Прямое включение электрического счётчикаФОТО: pro100electrik.ru
На предприятиях, где нагрузка бывает очень высока, используют приборы учёта косвенного включения. Их коммутация отличается. Для того, чтобы подключить такой электросчётчик, на токоведущие шины устанавливаются катушки трансформаторов, от которых провод уже идёт на сам прибор учёта. Таким образом, счётчик электроэнергии напрямую не контактирует с токоведущим проводником.
Косвенное включение счётчикаФОТО: eraelektro.ru
Каким образом происходит снятие показаний?
Снимаем показания электрического счетчика. Фото № 3
Снятием показаний с любого электросчетчика занимаются либо владельцы объекта, в котором прибор установлен, либо полномочные лица из управляющей компании, предоставляющей коммунальные услуги конкретной группе лиц. При этом владелец жилья имеет полное право не давать снимать показания своего счетчика как представителям управляющей компании, так и иным лицам.
В таком случае расчет стоимости услуг по предоставлению электроэнергии будет проводится по средним региональным тарифам.
Непосредственно процедура снятия показаний для разных видов трехфазных счетчиков различна:
- при использовании устройства с индукционной формой подсчета для получения нужных цифр необходимо переписать на листок имеющиеся показания на крутящемся табло прибора. Если одна или две цифры, как правило, из пяти-шести в общем имеют иной цвет, чем остальные, то при снятии показаний данные цифры отбрасываются (они показывают промежуточный подсчет электропотребления в маленьких масштабах, поэтому при определении показаний за месяц не учитываются).
- при использовании электронного прибора учета придется обратиться к его инструкции. Дело в том, что разные модели счетчиков по 10-15 секунд показывают: время, дату, показатели электропотребления за все время и по периодам (Т1 – 7-23:00, Т2 – 23-7:00, Т3, Т4 и т.д. – льготные периоды). Как правило, последовательность показа значений соответствует описанной выше, однако для максимально точного определения стоит обратиться к ранее упомянутой инструкции счетчика.
Снять показания с трехфазного счетчика – это лишь половина дела. Далее придется проделать следующее:
- Определить то, сколько электроэнергии было потреблено за последний месяц. Для этого достаточно взять показания счетчика за предыдущий месяц и отнять их от имеющихся на данный момент. Узнать данные показания можно либо путем ежемесячной записи, либо посмотреть на последней оплаченной квитанции за электроэнергию.
- Умножить полученное число электроэнергии на действующий в вашем регионе тариф. Так, к примеру, при показателе потребления электричества в 200 кВт в месяц и тарифе 4 рубля за 1 кВт, заплатить придется – 200 * 4 = 800 рублей.
Как видите, особых сложностей в работе с трехфазными электросчетчиками нет и снять с них показания проще простого. Надеемся, представленный выше материал был для вас полезен. Удачи в оплате коммунальных услуг!
О процедуре снятия и передачи показаний электросчетчика вы можете узнать, посмотрев видео:
Счетчики Энергомера
Снятие показания счетчика электроэнергии Энергомера день-ночь (двухтарифного или многотарифного) происходит точно также. Разница в том, что кнопка на данных электросчетчиках называется «ПРСМ» (просмотр). Кнопок может быть две или три — зависит от модификации.

Счетчик электроэнергии Энергомера СЕ301
При нажатии на эту кнопку появляются цифры, отображающие сколько киловатт «накрутили» по каждой зоне тарифа. Больше никаких отличий нет.
Читать дальше: Договор займа физическому лицу от физического лица
Снять показания со счетчика электроэнергии Микрон
В многотарифных электронных счетчиках электроэнергии Микрон на корпусе имеется только одна кнопка, на нее и необходимо нажимать чтобы вывести требуемые показания на экран. Только в данном случае надо дождаться пока на дисплее не появятся «галочки» над буквами «Т1» и «R+» (смотрите фото). Это будет показание по первому тарифу.

Как снять показания с электросчетчика Микрон модель СЭБ-1ТМ.02М
Потом жмем на ту же кнопку, пока галочки не появятся над Т2 и R+, если зон больше, жмем дальше. Вот так снимают показания с этого счетчика день/ночь.
Счетчики Saiman
Сейчас во многих регионах бесплатно заменяют старые индукционные счетчики на электронные и чаще всего ставят приборы фирмы Saivan. Это очень простые устройства, в них нет кнопок, которыми можно принудительно «листать» показания. Приходится просто ждать пока высветится требуемое значение. То есть, в данном случае снять показания счетчика электроэнергии, — просто подождать, пока высветится требуемое значение (TOTAL) и записать его в квитанцию (или передать в соответствующую службу).
Чтобы было проще ориентироваться, вот порядок, в котором высвечиваются данные в данном электросчетчике:
- дата;
- время;
- номер счетчика;
- передаточное число (1600);
- TOTAL — показания однотарифного счетчика или высвечиваются последовательно Т1, Т2, TOTAL для счетчиков типа день/ночь (двухтарифных).
В квитанцию необходимо записывать показания TOTAL или Т1 и Т2 и также общие TOTAL. Еще раз напомним, записывать нужно только целую часть, без учета цифр после запятой. Ту же информацию можете посмотреть в видео формате.
Как правильно снимать показания счетчиков электроэнергии?
Согласно принятой мировой практике, потребители электроэнергии должны устанавливать приборы, учитывающие ее расход, и производить оплату в соответствии их показаний. В РФ, это требование закреплено на законодательном уровне. Снимать показания и производить расчет оплаты на их основе входит в круг обязанностей потребителя (владельца прибора). Но если с индукционными счетчиками электроэнергии проблем, как правило, не было, то с появлением электронных устройств у многих потребителей со снятием показаний возникают вопросы. Ответы на них можно найти в данной публикации.
Как снять показания со счетчиков электроэнергии меркурий 200, 206, 233, 230, 231, 234
У перечисленных моделей интерфейс аналогичен. Управление осуществляется посредством двух кнопок (см. рис. 3). Одна, с надписью «ВВОД», служит для выбора показаний различных тарифов, вторая, на которой изображено кольцо со стрелкой-указателем, служит для выбора режима.
Лицевая панель трехфазного счетчика Меркурий 230
Процедура снятия показаний осуществляется следующим образом:
- Необходимо установить соответствующий режим, в данном случае «А». Для переключения режимов необходимо кратковременно нажимать кнопу с кольцом, пока под соответствующей буквой на дисплее (отмечено на рис. 3 красным) не появится черточка.
- После установки режима «A» на дисплее отобразится показания для тарифа Т1, для просмотра данных других тарифов (Т2 и Т3) необходимо кратковременно нажать кнопку «ВВОД». Число тарифов определяется настройками счетчика, их производят сотрудники энергетической компании.
- Отображение информации производится в следующем формате:
- Наименование тарифа (Т1-Т3).
- Собственно, показания (число с двумя знаками после запятой).
Обратим внимание, что к данным устройствам имеется специальное программное обеспечение. Благодаря ему можно получить более детальную информацию при подключении счетчика к ПК
Универсальный конфигуратор для линейки счетчиков Меркурий
Порядок снятия показаний с многотарифного счётчика и расчёт суммы оплаты
Электронные модели электросчётчиков в отличие от индуктивных устройств оснащены электронными циферблатами, на которых отображаются не только потреблённые киловатты, но и дата, время работы учётного прибора и тарификация по зонам, так как данные устройства являются многотарифными.
В зависимости от модели электросчётчик может быть:
- Однотарифный. Такой вид учётного прибора считает использованное электричество не зависимо от времени суток согласно единому тарифу (Т1);
- Двухтарифный. Расчёт потреблённой электрической энергии ведётся по разным тарифам, так как в этом случае сутки разделяются на две временные зоны: (Т1) дневную – с 7-00 до 23-00 и (Т2) ночную – с 23-00 до 7-00. Стоимость использованной энергии в ночное время значительно ниже.
- Трёхтарифный. Электросчётчик кроме дневной (Т1) и ночной зоны (Т2) учитывает энергию во время дневных пиковых нагрузок (Т3), которые считываются с 10-00 до 14-00.
С многотарифного устройства данные считываются следующим образом:
- Для правильного фиксирования показаний с электронного устройства, требуется выполнить списание сведений отдельно по каждой временной зоне. Для этого необходимо на панели табло надавить на кнопку «Ввод».
- После нажатия на дисплее первоначально отображаются данные значения T1, которые списываются в журнал учёта электроэнергии или платёжные квитанции.
- После последующих нажатий, на табло поочерёдно выводятся следующие показания (T2 и Т3), которые также отражаются в учётных документах, при этом числовые данные фиксируются только в киловаттах, без учёта чисел после запятой.
- После окончания вывода показателей, на табло многотарифного счётчика отражается контрольная сумма всех трёх режимов (дневного, ночного и пикового периода).
Расчёт оплаты за использованную электроэнергию двухтарифного счётчика производится по следующей схеме:
Показания счётчика за отчётный период: Т1 – 000226, Т2 – 000355.
Показатели предыдущего месяца: Т1 – 000120, Т2 – 000280.
Рекомендуем: Как снять пломбу со счётчика воды
Тарифная цена Т1 – 5, 50р; Т2 –2,45р.
Для определения общей платы все данные суммируются: 583 + 150 = 733 р.
Плата электроэнергии трехтарифного счётчика рассчитывается аналогичным способом с учётом показаний трёх зон:
Текущие показания: Т1 – 000345, Т2 – 000255, Т3 – 000530.
Данные прошедшего месяц: Т1 – 000315, Т2 – 000215, Т3 – 000470.
Тарифные ставки: Т1 – 5,50 р.; Т2 – 2,45 р.; Т3 – 4,40 р.
Расчёт: Т1 = 345 – 315 = 30 х 5,50=165 р.
Т2 = 255 – 215=45 х 2,45 = 98 р.
Т3 = 530 – 470 = 60 х 4,40 = 240 р.
Для определения общей платы все данные суммируются: 165+98+240=503 р.
Снятие показания со счётчика Меркурий 206 N:
Способы установки (монтажа) электросчетчика в электрощит
Электросчетчики различаются по способу установки (монтажа) в электрощит:
- Приборы учета, которые устанавливаются на так называемую DIN-рейку.
- Приборы учета, которые при помощи винтов крепятся к щиту. При этом щит может быть пластиковым, металлическим или деревянным.
Здесь выбор определяется тем, позволяет ли конструкция электрощита установить счетчик на дин-рейку. В противном случае, электросчетчик для частного дома/квартиры можно установить на винты на монтажную панель в щите.
DIN-рейка, несомненно, намного удобнее: одним движением, просто защелкнув, закрепить в щите прибор учета, нежели устанавливать его с помощью винтов.

Установка счетчика на DIN-рейку

Крепление счетчика на винты
Вопрос №39 – Чем трехфазный счетчик отличается от однофазного?
Last Updated on 17.11.2017 by Sia
Николай Кузнецов из Белгорода спрашивает:
По окончании строительства своего одноэтажного дома, возникла необходимость вести учет расхода электроэнергии, так как в здании установлен мощный водонагревательный котел. При выборе прибора учета появился такой вопрос, чем отличается однофазный счетчик от трехфазного?
Наш специалист отвечает:
Однофазный счетчик – это прибор, применяемый для учета электроэнергии и контроля над ее расходом. Устанавливается данный агрегат в двухпроводных сетях, при стандартном напряжении 220 V. Трехфазный же прибор производит учет электричества в трех и четырехпроводных сетях с переменным током частотой 50 Гц, напряжение в данном случае составляет 380 вольт. В этом и состоит главное отличие 3-фазного счетчика от однофазного.
Следует понимать, в каких помещениях устанавливается тот или иной агрегат. Прибор с одной фазой целесообразно размещать в жилых домах, офисных зданиях, магазинах, а также в гаражах или на дачах. Однофазные электросчетчики устроены незамысловато и достаточно просты в эксплуатации. Снимать с них показания не составляет труда. Электросчетчики с одной фазой имеют маркировку «СТ».

Более сложно устроены трехфазные датчики (маркировка «СТ»). Их применяют на предприятиях и промышленных объектах, требующих значительно большего количества электроэнергии. Данные приспособления обладают возможностью точно измерять электричество. Питание для них требуется соответственно трехфазное. Устанавливают, если в помещении отсутствует нулевой провод. Но если нулевой провод имеется, используют четырехпроводной счетчик.
Для трехфазной цепи подходит только соответствующий счетчик. Но если по каким-либо причинам, для жилого помещения был приобретен трехфазный счетчик, ничего страшного в этом нет. Ведь более мощные агрегаты вполне можно подключать к сети и с одной фазой.
Стоит учитывать, что ток, распределяемый для 3-фазного счетчика, обладает большей мощностью, чем у противоположного прибора. В жилых помещениях, площадью менее ста квадратных метров это попросту неоправданно, возрастают риски перенапряжения, а вследствие, короткого замыкания. Для установки трехфазного агрегата необходимо получить соответствующее разрешение и документы в энергосбытовой конторе. Это требует дополнительного времени и сил.
Но если в большом доме имеются водонагревательные котлы и другие мощные приборы, имеет смысл установить мощный счетчик, обеспечивающий подачу большего количества электроэнергии.
Виды электросчётчиков и принцип их работы
Приборы учёта электроэнергии бывают индукционными и электронными, двух- и трёхфазными, одно- и многотарифными. Однофазный индукционный электросчётчик состоит из двух электромагнитов, располагающихся по отношению друг к другу под углом 90˚. В их магнитном поле находится лёгкий алюминиевый диск, установленный на оси. Для работы электросчётчика его токовую обмотку подключают последовательно к электроприёмникам, а катушку напряжения – параллельно.
Схема и принцип работы индукционного электросчётчика
При прохождении переменного тока по обмоткам в их сердечниках создаются магнитные потоки, которые, проходя через алюминиевый диск,формируют в нём вихревые токи. Магнитные потоки при взаимодействии с вихревыми токами создают силу, благодаря которой происходит вращение диска, связанного со счётным устройством, учитывающим частоту вращения алюминиевого диска, то есть расход потребляемой электроэнергии.
В последнее время индукционные приборы учёта все активнее вытесняются электронными электросчётчиками. Электронные, или цифровые, счётчики имеют несколько преимуществ перед устройствами индукционного типа, а именно:
- небольшие размеры;
- отсутствие подвижных элементов;
- возможность учёта потреблённой электроэнергии по нескольким тарифам;
- подсчёт суточных пиковых показателей нагрузки;
- учёт реактивной и активной мощности;
- более высокий класс точности;
- возможность дистанционного снятия показаний и автоматической отправки данных о потреблённой электроэнергии.
Преимущества электронных счётчиков неоспоримы
Простейшая электронная система на базе микроконтроллера измеряет импульсы тока, выводит данные на ЖК-дисплей и обеспечивает защиту устройства и локальной электросети в случае аварийной ситуации. Импульс проходит через специальные датчики и поступает на вход преобразующей микросхемы, снимается на её выходе. Поступившие импульсы подсчитываются микроконтроллером, преобразуются в потреблённые Вт/ч и передаются поставщику посредством автоматизированной системы сбора данных.
Статья по теме:
Трехфазный счетчик — как снимать показания?

Какие цифры передавать по счетчикам электроэнергии?
Снятием показаний с любого электросчетчика занимаются владельцы объекта, в котором прибор установлен, либо полномочные лица из управляющей компании, предоставляющей коммунальные услуги конкретной группе лиц.
При этом владелец жилья имеет полное право не давать снимать показания своего счетчика как представителям управляющей компании, так и иным лицам.
В таком случае расчет стоимости услуг по предоставлению электроэнергии будет проводится по средним региональным тарифам.
Непосредственно процедура снятия показаний для разных видов трехфазных счетчиков различна:
- при использовании устройства с индукционной формой подсчета для получения нужных цифр необходимо переписать на листок имеющиеся показания на крутящемся табло прибора. Если одна или две цифры, как правило, из пяти-шести в общем имеют иной цвет, чем остальные, то при снятии показаний данные цифры отбрасываются (они показывают промежуточный подсчет электропотребления в маленьких масштабах, поэтому при определении показаний за месяц не учитываются).
- при использовании электронного прибора учета придется обратиться к его инструкции. Дело в том, что разные модели счетчиков по 10-15 секунд показывают: время, дату, показатели электропотребления за все время и по периодам (Т1 – 7-23:00, Т2 – 23-7:00, Т3, Т4 и т.д. – льготные периоды). Как правило, последовательность показа значений соответствует описанной выше, однако для максимально точного определения стоит обратиться к ранее упомянутой инструкции счетчика.
Как считать электроэнергию по счетчику? Снять показания с 3х счетчика – это лишь половина дела. Далее придется проделать следующее:
- Определить то, сколько электроэнергии было потреблено за последний месяц. Для этого достаточно взять показания счетчика за предыдущий месяц и отнять их от имеющихся на данный момент. Узнать данные показания можно путем ежемесячной записи, либо посмотреть на последней оплаченной квитанции за электроэнергию.
- Умножить полученное число электроэнергии на действующий в вашем регионе тариф. Так, к примеру, при показателе потребления электричества в 200 кВт в месяц и тарифе 4 рубля за 1 кВт, заплатить придется – 200 * 4 = 800 рублей.
Как видите, особых сложностей в работе с трехфазными электросчетчиками нет и снять с них показания проще простого. Надеемся, представленный выше материал был для вас полезен. Удачи в оплате коммунальных услуг!
Как рассчитать свет по счетчику? Как смотреть показания счетчика электроэнергии? Как посчитать электроэнергию по счетчику? О процедуре снятия и передачи показаний электросчетчика вы можете узнать, посмотрев видео:






























