Определение с параметрами проекта
Точного определения данному понятию нет. Соответствующее оборудование появилось, как ответ на требования потребителей повысить уровень комфорта в процессе эксплуатации, увеличить выработку тепла в расчете на единицу использованных энергетических ресурсов.
Основным недостатком классических котлов является необходимость регулярного добавления топлива в топку. Сложности создают также следующие факторы:
- высокая интенсивность горения;
- сложность оперативной регулировки и контроля этого процесса;
- неполное использование тепла, которое удаляется вместе с дымом через систему вентиляции.

Для поддержания работы обычного котла лучше иметь рядом достаточный запас дров
Разные конструкции
Для решения отмеченных выше задач используют различные решения. Чтобы не закладывать часто новые порции топлива увеличивают размеры топки. Сделать процесс горения равномерным помогает размещение сверху прижимного устройства, дозированная подача воздуха.

Схема типичного котла этого класса
Создать чертежи твердотопливных котлов длительного горения своими руками будет проще после подробного изучения стандартной конструкции:
- В начальном положении прижимное устройство (10) находится в верхнем положении.
- Через дверцу (6) в топку загружают крупную партию дров.
- После поджигания происходит регулируемый механическим приводом (16) процесс горения.
- Свежий воздух подается нагнетателем через телескопическую полую внутри штангу. Он распределяется равномерно через прижимной диск (10).
- Подача кислорода сверху обеспечивает постепенное сгорание топлива, слоями.
- Золу после завершения цикла удаляют через нижнюю дверцу (13).
- Для поднятия диска (10) в верхнее положение используют лебедку (2) с электроприводом.
Недостатком данной конструкции является невозможность произвольной закладки дров в топку. Существенное преимущество – повышенная до 24 часов и более длительность одного рабочего цикла.
В следующей конструкции топливо можно подкладывать по мере необходимости. Здесь использована технология пиролиза. Она характерна дозированной подачей кислорода и низкой интенсивностью горения. Тлеющие дрова выделяют горючий газ. Он сгорает в дополнительной камере.

Пиролизный котел
Эта установка полноценно использует топливо. В продуктах сгорания содержится минимальное количество сажи. Сложной является оптимальная регулировка рабочих процессов.
Газовые и дизельные агрегаты лишены упомянутых недостатков по причине простоты дозирования соответствующих видов топлива. Подобный результат можно получить, если использовать специальным образом спрессованные гранулы из отходов деревообработки, шелухи семечек, иного горючего сырья.

Пеллетный котел
В данном варианте гранулы (пеллеты) засыпают в бункер, откуда они подаются шнековым механизмом в топку. Понятно, что такая конструкция позволяет при необходимости быстро увеличивать и уменьшать подачу топлива. Гибкое изменение производительности котла пригодится для оптимизации работы при изменении внешней температуры, подключении дополнительных потребителей. С гранулами не слишком сложно работать при транспортировке, хранении.

Теплообменник для подогрева воды
Повышают эффективность котлов с помощью сложных структур выходных узлов. В таких конструкциях повышается температура теплоносителя. Аналогичные функции выполняют полые стенки корпуса.
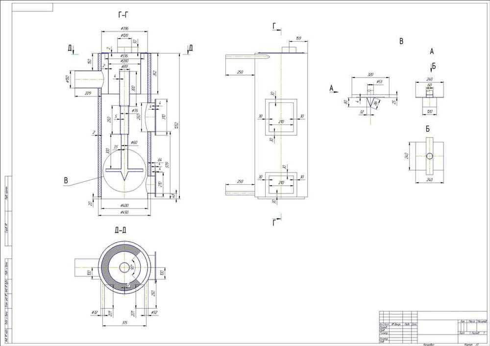
Чертежи твердотопливных котлов длительного горения своими руками
Прежде чем искать соответствующую документацию, необходимо точнее определиться с конструкцией. Предпочтительной является первая схема твердотопливного котла длительного горения, своими руками ее будет создать проще.

Принципиальная схема котла
Для отопления сравнительно небольшого частного дома с общей площадью 150-250 м. кв. достаточно будет следующих размеров:

Чертежи твердотопливных котлов длительного горения своими руками
При высоте чуть более 1,5 метра и ширине около 40 см не сложно будет найти подходящее место для установки. Но надо учитывать необходимость создания технологических проходов для обслуживания. Понадобится свободное пространство сверху для монтажа лебедки и другого оборудования.

Конструкторскую документацию можно создать без соблюдения стандартов
Для реализации частных проектов не обязательно соблюдению ГОСТов. Но чем подробнее получился чертеж твердотопливного котла длительного горения своими руками, тем проще будет исключить ошибки на ранних стадиях.

При удалении большого количества ржавчины перед окраской может понадобиться респиратор
Кирпичные пиролизные котлы
Своими собственными руками вы сможете изготовить не только металлический самодельный пиролизный котел, но и кирпичный – это актуально для тех, у кого в распоряжении есть достаточное количество свободного места. Схему можно поискать в интернете, заказать у специалистов или попробовать скомпоновать самостоятельно, используя специальный софт. Преимущества кирпичного пиролизного котла, изготовленного своими руками:
- Может использоваться как самостоятельный источник тепла;
- Длительное сохранение температуры;
- Более прочная и долговечная конструкция;
- Стойкость к температурным перегрузкам.
Недостатком является лишь громоздкость такого агрегата.
Виды твердотопливных котлов длительного горения
Для того, чтобы лучше разобраться в существующих конструкциях котлов длительного горения и выбрать наиболее подходящий вариант для самостоятельного изготовления, рассмотрим какие основные виды их существуют в настоящее время. По способу сжигания топлива можно выделить следующие их конструкции:
- С традиционным сжиганием снизу-вверх, топливо в которых поджигается снизу, а горячие продукты сгорания проходят через всю камеру сгорания и удаляются в дымовую трубу в верхней ее части, по пути нагревая теплоноситель в теплообменнике, которым являются сами стенки камеры и, возможно, дополнительные регистры;
- Шахтного типа, с нижним горением топлива, в которых продукты сгорания удаляются не через загрузочную камеру, как в предыдущем случае, а в соседнюю, где размещается теплообменник и далее уходят в дымовую трубу;
- С верхним сжиганием топлива (сверху-вниз), в которых топливо поджигается сверху и постепенно сгорает до дна. Такой способ требует специального устройства (телескопической трубы, которая опускается по мере сгорания топлива) для подачи воздуха к месту горения.
- С пиролизным или газогенераторным сжиганием топлива, при котором твердое топливо (чаще всего дрова) сжигаются при высокой температуре и ограниченной подаче первичного воздуха. При этом происходит не классическое горение топлива, а сухая перегонка их в древесный газ, который потом сжигается в камере дожига в присутствии вторичного воздуха. Стоить отметить, что пиролизные котлы являются более сложными с точки зрения самостоятельного изготовления, поэтому их конструкции будут рассмотрены в других статьях этой рубрики.
По форме твердотопливные котлы длительного горения, изготовленные своими руками могут быть:
- прямоугольными, которые как правило изготавливаются из листового железа;
- круглыми, изготавливаемые из труб большого диаметра, старых баллонов или бочек.
По виду материала, из которого они изготавливаются можно выделить котлы:
- Металлические, изготовленные исключительно из листового металла и труб;
- Металлические с футеровкой огнеупорным материалом;
- Кирпичные с металлическим теплообменником внутри.
Делаем котел из трубы на твердом топливе
Для изготовления котла из трубы своими руками не потребуется много времени. В отличие от прямоугольной конструкции из листовой стали этот вариант более надежен, так как собирается с меньшим количеством сварных соединений.
Что понадобиться для изготовления
Приступая к работе нужно запастись необходимым инструментом:
- сварочным аппаратом и электродами;
- газовым резаком;
- болгаркой;
- комплектом слесарных инструментов.
И материалом:
- отрезком трубы диаметром 425 мм для корпуса, а также 100 и 25 мм;
- листовой сталью толщиной 4 мм;
- двумя патрубками на 25 мм;
- петлями для навески дверок;
- уголком 25 мм;
- арматурными прутьями диаметром 8 мм.
Пошаговый процесс изготовления
Сначала подготавливают детали, из которых будет собран котел из трубы:
- От трубы диаметром 425 мм отрезают кусок длиной 1 — 1,2 м. Это будет корпус котла отопления вертикальной конструкции.
- На трубе вырезают два прямоугольных отверстия. Для топки размером 200х100 мм, для поддувала 200х30 мм на расстоянии 50 мм друг от друга. Из вырезанных кусков делают дверки. Расстояние от нижнего края корпуса до поддувала 50 — 70 мм.
- Сбоку в верхней части корпуса вырезают одно под другим 2 отверстия диаметром 25 мм. Нижнее на расстоянии 150 мм от дверки топки для патрубка обратки, а верхнее в 50 мм от верха корпуса для подачи системы отопления.
- Из листовой стали вырезают 2 круга диаметром 425 мм для крышек корпуса и 1 диаметром 412 мм для перегородки между топкой и баком.
- В верхней крышке и перегородке делают отверстия под дымоход, который делают из трубы 100 мм.
- Ножки делают из трубы 25.
- Колосник в виде решетки сваривают из арматурных прутьев.
Когда все детали готовы, приступают к сборке:
- К перегородке приваривают дымоход и устанавливают на прихваченные внутри корпуса опоры из арматуры на расстоянии 300 — 350 мм от топки. Затем крепят сваркой с обеих сторон.
- На конец дымохода надевают верхнюю крышку. Обваривают оба стыка.
- Снизу корпуса вставляют колосник. Затем приваривают отрезки уголка 25 на которых он будет стоять.
- Приваривают нижнюю крышку, а к ней ножки высотой 50 мм.
- Приваривают петли, навешивают дверки поддувала и топки.
Подключение и первая растопка
Готовый котел для отопления проверяют на герметичность. Для этого на нижний патрубок устанавливают заглушку. Через верхний заливают воду. Если протечек нет, котел подключают к системе отопления.
Дымоход лучше выводить наружу строго вертикально. Если такой возможности нет, его монтируют с минимальным числом изгибов. Горизонтальные участки устанавливают с наклоном не меньше 0,1% от длины.
Для первой растопки достаточно небольшой закладки дров или угля. Иначе при резком повышении температуры на стенках дымохода начнется отложение дегтя. Поэтому из-за уменьшения прохода тяга станет хуже.
Чтобы обеспечить поступление в топку достаточного количества воздуха регулируют положение дверки поддувала. Более удобна для этой цели шиберная заслонка, которую можно купить или сделать самому.
Самостоятельно сваренные котлы для отопления не рекомендуется устанавливать в жилом помещении, так как в отличие от заводских моделей у них нет гарантии безопасной эксплуатации. В случае нештатной ситуации за последствия отвечать придется самому. Но даже при установке в отдельном помещении следует неукоснительно соблюдать правила пожарной безопасности.
Разновидности котлов отопления
Ассортимент отопительных агрегатов позволяет подобрать установку по финансовым возможностям и личным предпочтениям владельцев
При выборе устройства целесообразно обращать внимание на тип топлива
Специфика твердотопливных моделей
В сельской местности или при желании сэкономить на топливе можно устанавливать дровяной, брикетный, угольный агрегат. В линейку твердотопливных моделей также входят котлы на опилках и коксе. Все устройства отличаются экологичностью и безопасностью. По принципу работы бывают:
- Классические – нагревают помещение посредством прямого сжигания топливных материалов. Закладка производится через 5-6 часов.
- Пиролизные – функционируют по принципу дожига газа, выделенного в камере сгорания. Топливо загружается раз в 12-14 часов.
При самостоятельном изготовлении модели на твердом топливе нужно организовать дымоход с качественной тяги, место под топливо.
Характеристики электрокотлов
Электрический тип отопителей отличается компактностью, бесшумной работой, доступной стоимостью. Изделия различаются по типу нагревающих элементов:
- На ТЭНах. Модификации с трубчатым нагревателем подходят для напольной и настенной установки. Недостатком является образование накипи на ТЭНе.
- На электродах. Подойдут для системы из 1-2 батарей или большого помещения. Устройства производительны, быстро греют воду, но чувствительны к ее химическому составу.
- Индукционные. Быстро разогревают теплоноситель любого типа, имеют КПД в 100 %, оснащаются системой защиты от перегрева.
Особенности газовых устройств
Газовый отопитель можно подобрать по нескольким параметрам:
- Количество контуров. Одноконтурные варианты работают только на обогрев, двухконтурные помимо обогрева подключаются к системе ГВС.
- Способ нагрева воды. Применяется проточная колонка или встроенный бойлер на 150-180 л.
- Количество теплообменников двухконтурной модификации. Единый битермический элемент греет воду на отопление и ГВС. У агрегатов с двумя теплообменниками первичный задействуется для отопления, вторичный – для горячего водоснабжения.
- Тип камеры сгорания. Котел с открытой тягой ставится в отдельном вентилируемом помещении и оснащается вертикальным дымовыводом, т.к. забирает воздушные массы естественным способом. Закрытое оборудование оснащается коаксиальной дымовыводной трубой, расположенной по горизонтали, а воздух в него подается вентилятором или кулером.
- Способ розжига. Электрический применяется для приборов, горящих непостоянно. Модификации с пьезовым розжигом включаются вручную.
Сколько необходимо денег для сборки?
Процесс самостоятельного изготовления пиролизного котла нельзя назвать ни простым, ни очень дешевым. Так что прежде чем приниматься за работу стоит внимательно изучить всю доступную информацию и честно оценить собственные навыки и силы. Но если вы все же решитесь на это непростое дело, сэкономить можно до 2000 у. е.
В последние годы многие умельцы собирают пиролизные котлы своими руками. Некоторые из них готовы бесплатно поделиться опытом на многочисленных форумах, а некоторые предлагают продать принципиальную схему и оказать платную информационную помощь в процессе изготовления котла. Существуют так же фирмы, которые профессионально занимаются расчетом такого оборудования. Какой вариант создания проекта выбрать, решать вам. Но, думается, для начала необходимо изучить все открытые источники информации, а уж потом, если не будет полной уверенности в своих силах, прибегнуть к помощи платных консультантов. Следует заметить, что, даже оплатив проект, вы потратите значительно меньше, чем при покупке котла промышленного производства.
Инструменты, которые понадобятся
- Сварочный аппарат (электрический). Желательно что бы он был постоянного тока.
- Электродрель.
- Большая углошлифовальная машинка (под круг Ø230). Желательна так же машинка под круг Ø125, но без нее вполне можно обойтись.
Необходимые расходные материалы
- Листовой металл толщиной 4 мм – 7,5 м2. В целях экономии можно сделать внутренние детали котла из четырехмиллиметрового листа, а корпус из 3 мм.
- Труба диаметром 57 мм с толщиной стенки 3,5 мм – 7-8 м.
- Труба диаметром 159 мм с толщиной стенки — 4,5 мм – 0, 5 м
- Огнеупорный кирпич – 12-15 шт
- Труба диаметром 32 мм с толщиной стенки 3.2 мм — 1 м.п.
- Профтруба 60×30 с толщиной стенки 2 мм – 1,5 м.п.
- Полоса стальная, шириной 20 мм и толщиной 4мм — 7,5 м.п.
- Профтруба 80×40 с толщиной стенки 2 мм — 1 м.п.
- Полоса стальная, шириной 30мм и толщиной 4 мм — 1,5 м.п.
- 5 пачек электродов
- Полоса стальная, шириной 80 мм и толщиной 5 — 1 м.п.
- 10 отрезных кругов диаметром 230 мм
- 5 шлифовальных кругов диаметром 125 мм
- Дутьевой вентилятор
- Датчик температуры
Вот собственно и все. Конечно, в процессе работы может выясниться, что не хватает каких-то мелочей, но это существенно не повлияет ни на цену котла, ни на скорость его изготовления.
Требования безопасности и правила эксплуатации
Котлы длительного горения, как и любое другое отопительное оборудование является пожароопасным, поскольку процессы горения в таком устройстве могут достигать очень высоких температурных показателей. При его монтаже и использовании нужно соблюдать следующие рекомендации:
- размещают котел на бетонном или кирпичном основании, перед топкой кладут металлический лист толщиной от 2 мм, для защиты пола от случайно выпавших угольков;
- расстояние до стен не менее 20 см, и как можно дальше от мебели;
- желательно наличие отдельной котельной, проем для вентиляции в ней должен быть размером не менее 100 кв. см;
- рекомендуется также тщательно утеплить дымоход, по которому отводятся продукты горения. Отсутствие теплоизоляции не только приведет к теплопотерям, но и вызовет образование дегтя и конденсата, которые способствуют преждевременному износу оборудования и многочисленным поломкам;
- автоматика с термодатчиками позволит наладить автономную работу котла и обеспечит пожарную безопасность. Именно автоматика регулирует правильное смешивание горючего газа с воздухом по специальной схеме;
- обязательно устанавливают группу безопасности котла: манометр, автоматический воздухоотводчик и аварийный клапан, который стравит воздух при избыточном давлении;
Строительство или сборка котла длительного горения – дело не простое и не дешевое. Произведя один раз все затраты, расчеты и выполнив все работы строго по технологии, рачительный хозяин получает экономичный и высокопроизводительный котел, который в процессе работы сэкономит семейный бюджет и время, делает дом теплым и уютным в зимние холода. При соблюдении правил работы эта печь будет отапливать комнаты и греть воду, будет исправно работать долгие годы.
Как выбрать мощность твердотопливного котла
Твердотопливный котел нужно выбрать так, чтобы его номинальная отопительная мощность соответствовала тепловым потерям отапливаемого объекта.
Выбор котла слишком большой номинальной мощности приводит к тому, что котел большую часть времени работает в режиме значительного ограничения мощности. А это, в свою очередь, приводит к снижению КПД (увеличению расхода топлива), повышенному образованию отложений (сажи, дегтя), ускоренной коррозии котла и дымохода. Увеличивается риск перегрева теплоносителя в котле. Стоимость котлов растет по мере увеличения мощности.
Поэтому не следует покупать котел, имеющий значительно большую мощность, чем тепловые потери дома.
Точный расчет тепловых потерь дома и мощности отопительного котла достаточно сложная задача, решение которой лучше поручить специалистам-проектировщикам. Менеджеры фирмы, которая продает котлы, скорее всего посоветуют Вам выбрать котел избыточной мощности — это им выгодно.
Ориентировочно мощность котла для отопления дома выбирают, руководствуясь общепринятыми величинами удельной мощности на 10 м2 отапливаемой площади по климатическим зонам:
-
- Для южных районов России: 0,7 — 0,9 кВт/10м2.
- Для средней полосы — 1,2 — 1,5 кВт/10м2.
- Для северных районов — 1,5 — 2 кВт/10м2.
Например, для региона г. Москвы в доме с отапливаемой площадью 150 м2 следует установить котел мощностью 150 м2 х 1,2 кВт/10м2 = 18 кВт.
Для дома, построенного с соблюдением современных требований к энергосбережению, для расчета применяют меньшие из указанных значений.
Рекомендуется увеличивать мощность котла примерно на 30% при работе котла с буферным баком — аккумулятором тепла. Запас мощности также необходим, если котел используется в системе горячего водоснабжения.
Следует также учитывать, что теплоёмкость незамерзающих жидкостей на 20% ниже чем у воды. При их использовании в качестве теплоносителя мощность котла может падать на 10 – 15% от номинальной.
Систему водяного отопления с естественной циркуляцией теплоносителя рекомендуется использовать в домах с отапливаемой площадью помещений не более 100 м2. В домах большей площади или в системах отопления с теплыми полами применяют принудительную циркуляцию теплоносителя с установкой циркуляционных насосов.
Что такое пиролиз
Это процесс образования горючего газа и его сжигание в твердотопливных котлах и печах, где при горении дров происходит выделение горячего угарного газа. При условии соединения его с кислородом происходит его сгорание с тепловыделением и образованием углекислого газа.
Источник фото: rpgrant.com.ua
В современной технике это физическое явление широко распространено. Например, функция очистки духовых шкафов работает на этом принципе. Примерно так же работает барботаж.
Используя это свойство сгорания топлива производители начали экспериментировать с конструкциями, где топливо не сгорало сразу, а тлело при недостатке кислорода, выделяя CO (угарный газ).
Полученный газ предполагалось сжигать в другой камере. В качестве топлива можно использовать обычные колотые дрова или специальные древесноугольные брикеты (Тюменский пиролизный завод).
Помимо пиролизных котлов, работающих на дровах существуют модели, работающие на угле. Некоторые работают на естественной тяге.
Особенности эксплуатации
Перед запуском котла необходимо ознакомиться с особенностями его функционирования. В отличие от традиционных твердотопливных аналогов загрузочный бункер такой модели нуждается в предварительном прогревании. Когда температура в этом достигнет 500–800˚C , можно загружать твердое топливо. После этого останется запустить пиролизный режим и активизировать дымосос.
Упомянутая последовательность действий сделает возможным медленное сжигание топлива. В результате происходит эффективное выделение пиролизного газа, а значит, в жилище будет поддерживаться оптимальный температурный режим.
Преимущества и недостатки
Преимущества применения:
- при сгорании дров невозможно получить такую высокую температуру, как в процессе сгорания пиролизного газа (особенно, если дрова содержат много влаги);
- при помощи контроллера управления мы без особых трудностей можем автоматизировать работу пиролизного котла, так как процесс сжигания пиролизного газа легко поддается управлению и регулированию;
- для сжигания дров или угля необходимо гораздо больше вторичного воздуха, чем для сгорания древесного газа. Поэтому при одинаковом объеме вторичного воздуха КПД сгорания древесного газа, длительность и температура горения будут больше;
- выброс вредных веществ пиролизных котлов в атмосферу сведен до минимума, поэтому пиролизный котел – это практически экологически чистый источник тепла;
- твердотопливные котлы пиролизного горения нуждается в очистке от золы крайне редко;
- пиролизные котлы могут работать очень долго(до 15-и часов) на одной закладке дров, при том, что обычные твердотопливные котлы нуждаются в дозагрузке каждые 3-4 часа.
Если же говорить о недостатках такого типа агрегата, то, помимо цены, которая является платой за повышенный КПД, и более сложной конструкции, ведь пиролизные котлы на 30-35% тяжелее обычных, так как металла для их изготовления требуется больше, другие «минусы» несущественны.
Для максимальной эффективности работы влажность дров должна быть не более 20%. Если дрова влажные, при их горении образуется пар, который снижает газовыделение и приводит к отложению дегтя и сажи. В результате, КПД котла падает, и возникает необходимость в его чистке.
Большинство пиролизных агрегатов имеют электронное управление.

Следовательно, возникает необходимость в использовании электричества для работы контроллера, который управляет вентилятором и дымососом.
Пиролизные котлы с естественной тягой существуют, но они требуют очень высокого и мощного дымохода, поэтому такие модели непопулярны.
Необходимость заполнения топки на 50-100% – только в этом случае будет поддерживаться высокий КПД котла.
Установка оборудования
На следующем этапе необходимо провести установку оборудования на штатное место. Помните, что собранный своими руками пиролизный котел обладает просто адским весом – не вздумайте двигать его самостоятельно. Возьмите в помощники 3-4 человека и затащите остывший агрегат в помещение, выделенное под котельную. Далее проводим следующие работы:
- Выводим дымоход наружу и подключаем его к пиролизному котлу;
- Подключаем отопительную систему к котлу;
- Устанавливаем группу безопасности и проверяем герметичность системы;
- Проводим в помещение электрическую розетку;
- Устанавливаем котловую автоматику и подключаем к ней дутьевой вентилятор.
Теперь можно приступать к тестированию системы – делается это по аналогии с вышеуказанной инструкцией. Настройка пиролизного котла сводится к установке оптимальной температуры теплоносителя. Подробную информацию по этому вопросу можно получить в инструкции к используемому вами управляющему контроллеру.

Футеровка шамотным кирпичом позволяет соблюдать требуемый температурный режим и защищает металл.
Контроллер работает следующим образом – с помощью температурного датчика он контролирует температуру теплоносителя на выходе из пиролизного котла. Как только температура достигнет заданного уровня, электроника остановит работу вентилятора. Горение горючих газов замедлится и практически полностью остановится – дрова не погаснут, они будут просто медленно тлеть. Как только температура в контуре упадет, вентилятор включится, а горение в пиролизной камере возобновится.






























