Специфика сборки щитка в деревянном доме
Повышенная степень горючести и риски пожарных ситуаций предусматривают особый порядок монтажа щитка в домах из дерева. Изначально пиломатериал пропитывается антипожарными средствами, которые могут удерживать огонь до 20 минут. Чтобы исключить возможность возгорания, понадобится придерживаться строгой последовательности работ.
Нюансы выбора материалов

Проводка в потолке из дерева в металлической гофре При подборе материалов учитываются такие нюансы:
- Деревянный дом допускается электрифицировать только медным кабелем. Провод должен иметь маркировку «нг» и LS – двухслойная негорючая изоляция.
- Выбор сечения проводника. Можно рассчитать по формулам или воспользоваться таблицей ПУЭ.
- Все точки проводки, в том числе розеточно-осветительные, заземляются.
- Разрешено применять трех-, четырехжильный провод.
- Обязательная установка УЗО для защиты пробоя по корпусу и возгорания бревен.
- Установка для каждой линии или группы отдельного автомата с мощностью в соответствии с суммарной нагрузкой на сеть.
- Отдельный прибор выключения на каждую группу. Для двухэтажного здания достаточно модели 25 А на вводе и отдельно для группы – прибора на 16 А.
- Выбор розеток в зависимости от способа прокладки проводки – скрытого или открытого.
Требования к распредщитку
Правильный электрощиток для дома из дерева – металлический, который не контактирует с пиломатериалом. Толщина стенки изделия – от 1 до 2 мм, но при коротком замыкании электрическая дуга прожигает металл. В этом случае можно отделать стену кирпичом и поставить на готовую поверхность бокс. Второй вариант прослойки – асбестоцементная плита или укладка под короб отреза асбестовой ткани, сложенного в несколько раз.
Особенности электрического щитка
Часто ремонт в доме надо совмещать с ремонтом электрической проводки. Если делать ее с большим запасом прочности, то это в конечном итоге может быть причиной пожара.
Если же наоборот, сделать ее маловыносливой к нагрузкам, то на электрическом щитке в частном доме придется постоянно менять пробки. Поэтому и щиток, и проводка должны быть тщательно рассчитаны под силу тока и напряжение.
Что такое сила тока
Любой электроприбор имеет указатель с силой тока и потребляемой мощностью. Если на нем нет значений силы тока, а есть только потребляемая мощность и напряжение, то надо мощность поделить на значение напряжения.
При расчете электрического щитка в частном доме надо выходить именно из силы тока. Максимальное значение силы тока в квартире определяется как сумма потребляемых мощностей всех включенных приборов, деленная на напряжение 220 Вольт. Если проводку рассчитать на малую силу тока, то при небольшой нагрузке они могут сгореть.
Необходимо рассчитывать не номинальную, а пиковую нагрузку, потому что в любой квартире иногда включают пылесос, утюг. Так, например, если в комнате постоянно включен компьютер 400 Вт, лампа 100 Вт, настольная лампа 75 Вт, телевизор 150 Вт, а также «блуждающая нагрузка» обогревателя 2 кВт, пылесоса 1,8 кВт, то пиковое потребление комнаты составит 5,5 кВт или же 25 ампер.
Для чего нужен щиток
Многие владельцы домов не знают, для чего нужен электрический щиток. Его главное предназначение – защита от перегрузок сети, которые могу вызвать пожар.
Если проводка имеет низкое поперечное сечение, то при больших нагрузках она может не выдержать и загореться. Если на электрическом щитке будут стоять завышенные автоматы, то если в доме на длительное время будут включены приборы высокой мощности, то розетки могут выгореть.
Если завысить сечение проводки, то квартира, по сути, также останется без защиты: автоматы могут не среагировать на высокие параметры нагрузки. Словом, щиток должен иметь оптимально подобранные пробки, которые должны совпадать и с потребляемой мощностью, и с сечение проводки.
Какие бывают провода
К щитку подсоединяются стандартные провода. Медная проводка имеет четыре стандартных типа сечения – от 1,5 мм 2 до 6 мм 2. Допустимая сила тока самого тонкого провода – 15 ампер, самого толстого – 34 ампер. Алюминиевый провод должен иметь гораздо большее поперечное сечение. Мягкие кабеля использовать не рекомендуется, так как могут быть проблемы с безопасностью проводки.
Будьте осторожны: щитки в частном доме и розетки не подходят на провода меньше, чем полтора кв. мм. Не нужно брать также автоматы меньше, чем 10 ампер.
Что нужно установить в щитке
В щитке необходимо предусмотреть разделение проводки на несколько линий. Если в доме будет одна линия, то в случае аварии весь дом будет обесточен. При делении проводки на несколько частей легче будет определить место аварии.
В электрический щиток в частном доме нужно устанавливать несколько автоматов. Например, для каждой комнаты надо установить отдельный автомат. Идеально, чтобы и на освещение также был автомат. На автоматы питание приходит через один большой автомат. Это надо для того, чтобы можно было оперативно обесточить всю комнату. Автомат нумеруется в положении слева направо.
Установка и замена щитка
Вы можете установить электрический щиток самостоятельно. Самая простая процедура в этом случае – замена автоматов.
На щитке видно счетчик, а также пакетный выключатель и автоматы. Пакетный выключатель имеет вид устройства с четырьмя контактами и рукояткой поворотного типа. С магистральных электропроводов на щиток приходит фаза и ноль.
Перед заменой автоматов необходимо проверить их номинал и купить такой же. Ни в коем случае не надо устанавливать автомат большего номинала, так как это приводит к авариям, если на один автомат включить одновременно много мощных приборов.
Замена автоматов делается при полностью отключенном пакетном выключателе. Однако при этом надо быть осторожным, иначе при неверном движении можно остаться без света. Помните о том, что пакетный выключатель самостоятельно нельзя отремонтировать или установить. Для этого надо вызывать квалифицированного электрика.
Если при установке автоматов происходит короткое замыкание, то нужно проверить состояние изоляции проводов и в случае необходимости заменить ее с помощью изоленты.
Пластиковые корпуса для электрического щитка можно купить в магазине. Как правило, они имеют уже готовую DIN-рейку. В комплектность товара входят также колодки для заземления и ноль. Корпуса с пластиковыми рейками покупать не стоит, так как они ломаются и не обеспечивают нужной безопасности.
(Ещё нет голосов)
Комментариев пока нет!
Сборка на дифф.автоматах
Преимущества:
каждая линия защищена как от КЗ, перегрузок, так и от утечек. И все это одни аппаратом.
проще установить проблемную зону при повреждениях
отсутствуют нулевые шины
у вас полная свобода в группировке аппаратов в щите
легко распределять нагрузку по фазам
Недостатки:
большие габариты щита и большое количество модульных устройств (от 72шт и более)
очень дорого
Дифференциальный автомат это оборудование, которое ставится на отдельную линию, как обычный автомат, но еще включает в себя и защиту от утечек (дифф.защиту).
Это хоть и самый лучший вариант, но и самый дорогой. Поэтому используется крайне редко.
Общая сумма такой сборки может достигать 200 тысяч рублей.
Условно говоря, сколько у вас будет отходящих групповых линий, столько же понадобится дифф.автоматов.
При этом, чтобы при возможных авариях понять, от чего отключился такой автомат, от утечки или КЗ, рекомендуется использовать модели с индикацией причины срабатывания.
В начале схемы монтируется вводное устройство – рубильник. С него пускаете питание на реле напряжения.
Далее, через кросс-модули разделяете нагрузку на диффы. На каждый автомат пускаете по одной фазе.
Если в последствии окажется, что та или иная линия перегружает какую-либо из фаз, вам достаточно на одном из кросс модулей просто поменять их местами, перекинув провода с одной шинки на другую.
Если вы не ограничены бюджетом, то это самый лучший вариант сборки и комплектации трехфазного щитка.
Компоненты электрического щита
Распределительный щит состоит из множества устройств. Для надежной эксплуатации домашней электросети и защиты бытовых приборов, необходимо использовать автоматические выключатели, УЗО и диффавтоматы, реле контроля напряжения, шины и многое другое.
Автоматические выключатели
Приборы для автоматической защиты линии, которая к ним подключена. Они разрывают цель электропитания в том случае, если значение тока в линии значительно выше номинального параметра. Также предусмотрена защита от нагрева кабеля.
УЗО и диффавтоматы
Устройство защитного отключения (УЗО) отключает нагрузку, если появляются токи утечки. От них, в первую очередь, может пострадать человек. Также утечка негативно влияет на проводку, в результате чего провода могут нагреваться и возгорать.
Дифференциальный автомат — защищает от коротких замыканий, перегрузок, а также утечек тока. Его часто применяют вместо сочетания пары УЗО и обычного автомата. Главным преимуществом является защита от КЗ.
Реле контроля напряжения
Прибор используется для измерения входящего напряжения и поддержания заданного показателя. В случае резких скачков в сети, устройство отключает подачу электричества. Электрическая цепь замыкается только после восстановления показателя и выдержки времени. Основное назначение — защита электроприборов от скачков напряжения.
Шины заземления и зануления
Шины для заземления и нуля используют для удобства монтажа, а также соответствия щитка всем правилам ГОСТа и ПУЭ. Число DIN реек зависит от количества автоматов и других модулей, поэтому необходимо заранее составить схему монтажа.
Гребенчатая шина
Используется вместо перемычек из кабеля, которые раньше самостоятельно делались электриками. Гребенка выглядит как цельная пластина с торчащими зубьями и предназначена для подключения автоматов, стоящих в одном ряду.
Прочее оборудование
В качестве дополнительного оборудования в распределительном щитке используют модульные контакторы, выключатели нагрузки, розетки на DIN рейку, таймеры и многое другое. Остальные приборы увеличивают удобство управления сетью электропитания.
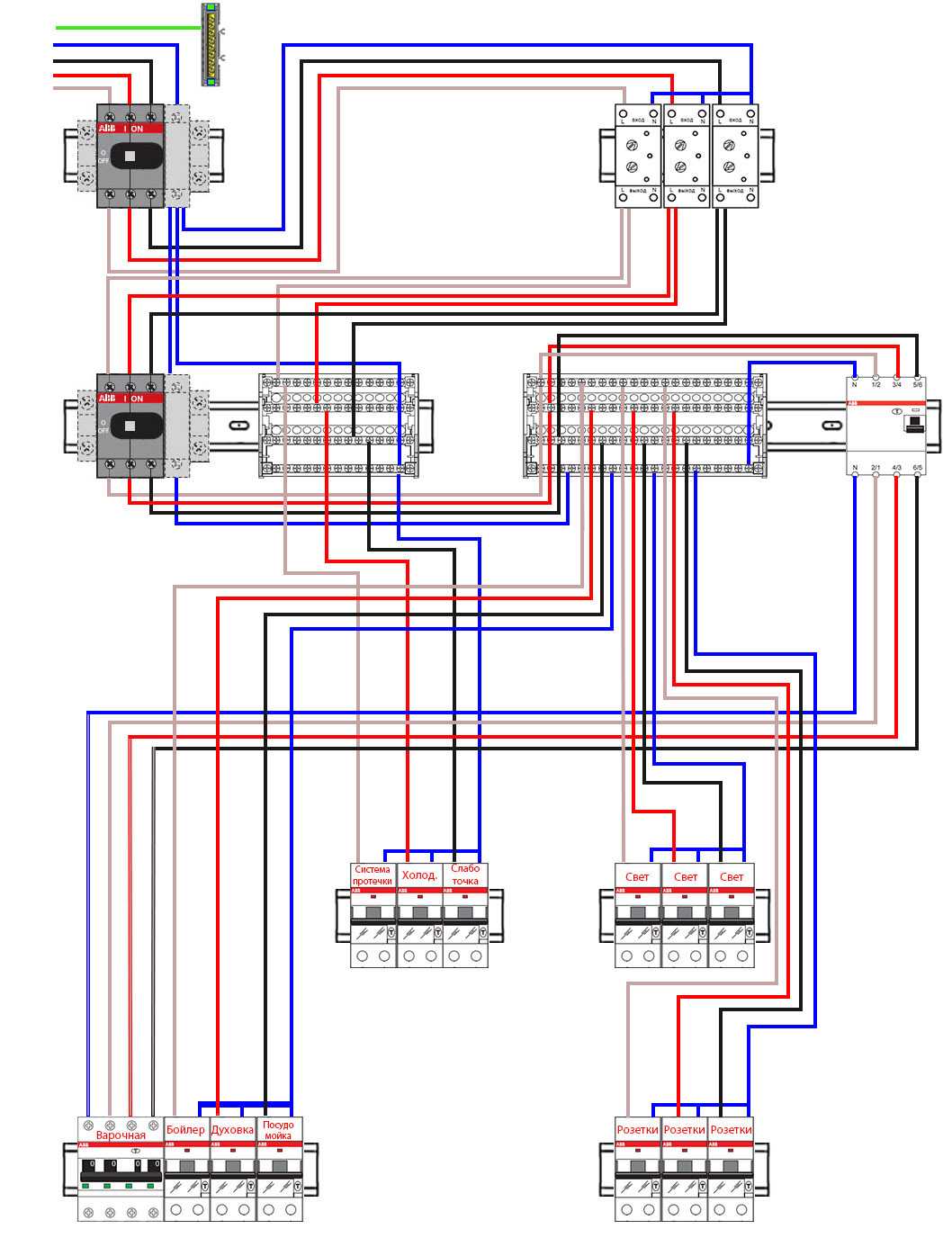
Вариант 4
Вот в данном варианте уже можно немного запутаться с подключением нулевых рабочих проводников, так как тут стоит несколько УЗО. А мы знаем, что у каждого УЗО должна быть своя индивидуальная нулевая шина, иначе ничего работать не будет.
В текущей трехфазной схеме на вводе стоит уже противопожарное селективное УЗО на 300 мА. Оно будет защищать кабели от возгорания при замыкании фазы на землю. Для человека ток 300 мА уже опасен и поэтому для его защиты нужно ставить дополнительное УЗО на 10-30 мА.
Ниже на рисунке показано одно УЗО с током утечки 30 мА только на первой фазе, к которому подключено два автоматических выключателя. У этого УЗО будет своя нулевая шина и поэтому нулевые рабочие проводники от других групп к его шине подключать нельзя. А шина заземления всегда и для всех потребителей будет одной общей.
В текущем варианте можно рассмотреть схему с установкой трех 2-х полюсных УЗО по одному на каждую фазу. Так все группы будут иметь защиту от утечек тока. Тогда здесь можно будет отказаться от общего вводного УЗО на 300 мА, так как у вас и так все будет иметь защиту с уставкой 30 мА.
Из каких элементов состоит электрический щит
Закупать составляющие электрощита необходимо сразу, чтобы впоследствии не терять время и не ездить по несколько раз за день в электротехнический магазин. Мощность щита определена, она составляет 15 кВт, это означает, что максимальная потребляемая мощность не превысит 15 кВт/ч.
Электрощит частного дома, перечень элементов:
- Счётчик электрической энергии. Счётчик является первым элементом, который должен быть установлен в щите. Лучшим решением станет покупка электронного устройства, рассчитанного на подключение трёх фаз. Такие измерительные приборы обладают высокой точностью и длительным сроком эксплуатации. Вся информация выводится на цифровой экран. Электронные счётчики могут быть запрограммированы на функционирование в нескольких тарифах.
- Электрический щит. Сейчас в магазинах имеется большое количество электрощитов самых различных размеров и рассчитанных на определённое количество элементов. Цена на изделие варьируется в зависимости от наличия DIN-рейки, встроенного замку, а также смотрового окна (специально для снятия показаний со счётчика). Следует обратить на защиту от пыли и влаги, её уровень должен составить не менее IP 54. Габариты — 445×400×150, и толщины стенки в 1 мм.
- Вводной автоматический выключатель. Следует приобретать трёхполюсный автомат, ведь заводимое напряжение в дом составит 380 В, а это означает наличие трёх фаз.
- Устройство защитного отключения (УЗО). Монтируется в обязательном порядке, так как является защитным элементом при появлении опасного потенциала на корпусе электроприбора.
- Автоматические выключатели. Подбирать ампераж следует исходя из нагрузки потребителя, о чём будет рассказано далее.
- Реле напряжения. Защищает бытовые электроприборы от скачков напряжения. Многие пользователи устанавливают реле, но оно не является обязательным элементом. Также сейчас получило широкое применение устройство защиты от импульсных скачков (УЗИП). Например, при ударе молнии в воздушную ЛЭП, напряжение в доме достигнет высоких пределов, что станет губительным для всей техники. УЗИП вовремя отключит сеть, но, как и реле напряжения, устанавливают его не часто.
- Измерительные приборы. Также являются необязательным элементом электрощита. К измерительным приборам относятся амперметры и вольтметры, часто комбинируемые в одно изделие.
Предварительная сборка электрощита на рамке
Для облегчения монтажных и сборочных работ электрических щитов, нужно приобретать более дорогие, качественные, функциональные модели. Даже опытному электрику не просто справиться с кропотливой работой, причем дешевые боксы усложняют процесс в несколько раз
Важно обеспечить чистоту для монтажа модулей и обезопасить все оборудование от загрязнения или влаги
Понадобится такой инструмент:
- Диэлектрические отвертки в наборе, чтобы среди них была модель с PZ, PH и прямым шлицем.
- Стриппер для снятия изоляции.
- Пассатижи, круглогубцы разных размеров.
- Кусачки (бокорезы).
- Ножовка для распила металла.
- Тестер, можно и мультитестер.
- Строительный нож со съемными лезвиями.
- Шуруповерт с комплектом бит или набор отверток.
Выбор модульного оборудования
До похода в магазин схема уже должна быть составлена и согласована. На ней указывают номиналы модульного оборудования. Однако существуют некоторые секреты, которые активно используют опытные электрики:
- Модульное оборудование покупают мировых брендов ABB, Merlin gerin, Hager, Schneider Electric, Legrand. Но это не означает, что другие производители плохие. Тут перечислены лучшие.
- Модульные составляющие лучше подбирать от одного производителя из одной серии. Могут возникать проблемы: одни рассчитывают на ширину модуля 17 мм, вторые – на 17,5 мм, а третьи – 18 мм. Это не так видно на 2-3 модулях, но в целом ряде из 12 модулей возникает проблема со стыковочными гребенками.
- Для сборки необходим монтажный провод ПВ3 (ПВ1) с сечением вводного кабеля или более. На практике достаточно 2-3 метров сечением 4-6 кв.мм. Обязательно разделить нулевой и фазный проводник по цвету.
- Устройства лучше соединять специальными гребенками с разным количеством полюсов. К ним дополнительно приобретаются торцевые заглушки.
- Для каждого группового УЗО требуется нулевая шинка.
- Заменить нулевые шинки можно кросс-модулями, которые уже смонтированы в корпусе и имеют индивидуальную изоляцию. Один кросс-модуль заменяет несколько шин, что позволяет экономить место и повысить безопасность.
- Ограничитель не позволит разъезжаться установленным модулям в стороны по DIN-рейке. Он требуется, если ряд будет заполнен не полностью.
- Неиспользованные места лучше закрыть специальными заглушками. Внутренности щита должны быть закрыты.
- Фиксация проводов и пространственная организация производится при помощи стяжки хомутами.
После подготовки можно начинать монтаж и сборку.
Алгоритм распределения нагрузки по трем фазам
Как уже сказано, надо собрать всю однофазную нагрузку и распределить ее равномерно между фазами. Причем фокус в том, чтобы подобрать все так, чтобы мощные приборы, подключенные к одной фазе не вызывали отключение по перегрузке. Это возможно если суммарная мощность работающих устройств будет не больше номинала, или если эти приборы не будут работать одновременно.
Квартирный щит 380 В может быть и не очень большим
Общие принципы группировки нагрузки для автоматов
Самая надежная и простая в обслуживании схема — когда на каждую группу потребителей или мощное устройство стоит отдельный автомат, а вкупе с ним УЗО. Но такая схема, во-первых, дорога, во-вторых, требует просто огромного шкафа, что тоже недешево. Поэтому стараются подключить несколько линий на один автомат, но объединять их надо следуя определенной логике. Иначе разобраться что к чему при срабатывании автомата будет очень непросто. Стоит придерживаться следующих правил:
- Розетки и освещение одного помещения подключать через разные автоматы. В таком случае при проблемах в одной из групп помещение не окажется полностью обесточенным.
- «Мокрые» помещения — ванну, кухню, баню — не группировать с «сухими». Во-первых, в помещениях с повышенной опасностью автоматы должны быть с другими параметрами, во-вторых, именно во влажных помещениях и возникают обычно проблемы.
- Уличное освещение и уличные розетки вообще должны быть отдельно — на отдельных автоматах. К ним можно подключить хозпостройки.
-
Питание привода ворот и охранное освещение — тоже отдельные автоматы.
Сделать план трехфазного электрощита — распределить нагрузку между тремя фазами
- Отдельные линии электропитания и отдельные автоматы и УЗО ставят и на мощную бытовую технику (электроплиты и электродуховки) и на ту, в которых используется вода. На крайний случай, можно скомпоновать, скажем стиральную и посудомоечную машину. Можно также в одну группу объединить проточный и накопительный водонагреватель, но при условии, что они не будут включаться одновременно, так как с высокой вероятностью спровоцируют отключение по перегрузу. Причем их можно подключать на один автомат только при условии, что они смонтированы в одном помещении, иначе ничего вы при повреждении не поймете.
Чтобы формировать группы было проще, составляете список линий и нагрузку на них. Должно быть указано помещение, название линии и мощность подключенной нагрузки. Глядя на эту таблицу, следуя описанным выше правилам, собираете группы. При этом надо еще следить чтобы нагрузка была распределена более-менее ровно.
Проверка групп
После того как вы на бумаге набросали группы, проводите проверку. Садитесь и думаете, что будет, если сработает каждый из автоматов, насколько катастрофичными будут последствия для каждого помещения.
Щит на 380 В для частного дома своими руками собрать можно, но надо сначала придумать как распределить нагрузку
Например, если в двухэтажном коттедже подключить все розетки первого этажа и освещение второго на один автомат, и освещение первого, розетки второго на другой, а технику на третий, то при срабатывании любого из автоматов ситуация будет аховой.
Вот в таком русле проигрываем ситуации с отключением каждого автомата. Желательно, чтобы в помещении оставались или рабочие розетки или они были в соседнем. Тогда, при необходимости, можно будет и оборудование подключить и освещение.
Монтаж автомата в щитке
Установка автоматического выключателя и его последующее подключение требуют определенных знаний и опыта в электротехнике, поэтому подключать устройство без практики не рекомендуется. Но при желании и строгом следовании инструкции подключить автомат будет под силу и профессионалу, и новичку.

Перед тем, как приступить к монтажу своими руками рекомендуется просмотреть подходящие схемы подключения автомата, где будет наглядно показаны все проводимые соединения.

В целом, алгоритм выглядит следующим образом:
- Ознакомиться с инструкцией, прилагаемой к автомату, схемой подключения, изображенной на корпусе устройства.
- Изучить нормативные документы (ГОСТ, ПЭУ), касающиеся данного вопроса.
- Подготовить инструменты: острый нож, отвертки (в том числе индикаторную), мультиметр.
- Определить назначение проводов (если отсутствует цветовая или буквенная маркировка).
- Обесточить сеть.
- Зачистить провода на 1 см.
- Подготовить щиток под размещение автоматов: установить DIN рейку, определить место.

Далее действия отличаются для выключателей с разным количеством полюсов. Так, для однополюсного автомата необходимо сделать:
- Соединить питающий провод с верхней (входной) клеммой пакетника, а проводник, идущий от счетчика, надежно закрепить к нижней (выходной).
- Развести по УЗО, нулевой шине, заземлению и другим имеющимся защитным системам.
- Нулевой кабель подключить к клемме PEN через счетчик.
- При необходимости задействовать специальные наконечники (для слишком гибких проводов или для большего закрепления).
- Проверить надежность закрепления жил, подергав за каждый присоединенный проводник.
- Включить ток, проверить функционирование устройства.

Автомат в щитке – это быстрый и удобный способ контролировать поступление электричества в дом, помимо этого прибор имеет организационную и защитную функцию.

Для безопасного его функционирования важно грамотно подойти к выбору, расчетам и подключению, а вся необходимая для этого информация есть как на корпусе устройства, в сопроводительных документах, так и в приведенных выше инструкциях
Подогрев ГРЩ
Мой хоз.блок, где установлен ГРЩ, не отапливается и чтобы исключить ложное срабатывание моих УЗО, я поставил подогрев в щит. Нагреватель Rittal. Питание 230 В, мощность 30 Вт.

Нагреватель для электрошкафа 30 Вт
Работает через термостат SK 3110

Термостат для нагревателя установлен на 20 гр.
Параметры термостата:

Термостат SK3110 параметры на боковой стенке
Пирометр показывает температуру на обогревателе:

Подогрев EKF в электрощит
На следующем фото , показывает температуру на корпусе УЗО.

Измерение температуры внутри электрошкафа ГРЩ пирометром
Вот фото щита в мастерской.

Щит в мастерской. предстоит модернизация
Правда он ещё не полностью укомплектован. Будут позже изменения в схеме.
Установлю трехфазное УЗО. Щит на 36 модулей, обычный . Не думаю, что кому-то будет интересно. На фото внизу справа видны СИЗ. Это я расключал светильники .Не стал ставить в стену распределительные коробки.
Перекос фаз в трехфазной сети
Прямой опасности в этом никакой для вас нет. Есть только постоянно отключающийся трехфазный автоматический выключатель. Почему так происходит?
В трехполюсном автоматическом выключателе, например С 25 есть три однофазных автомата. Каждый из них выдерживает 25 А. То есть на каждую фазу приходится по 5 кВт мощности, отсюда и получается, что подключенная мощность к дому 15 кВт. Все три однофазных автоматических выключателя соединены в один и имеют единый рычаг.
Что происходит если распределить нагрузку по фазам в частном доме в случайном порядке? Рассмотрим на примере: на фазе «А» подключен весь свет, на фазу «В» подключен весь второй этаж розетки, а на фазу «С» первый этаж.
На втором этаже три спальни и мощные потребители отсутствуют. Современные светодиодные светильники также потребляет немного. А вот фаза «С» будет нагружена стиральной машиной, духовкой, микроволновкой, посудомоечной машиной, электрочайником и возможно еще пылесос, фен в ванне и многим чем еще.
Вы включили стиральную машину (1,7 кВт), на кухне включили разогреваться духовку (+2 кВт) и поставили в неё вкусную пиццу. Тем временем нужно немного пропылесосить (+2 кВт) вокруг стола т.к. рассыпался сахар и вскипятить чайник (+2 кВт). Итого 7,7 кВт, что вполне хватит «перекосить» трехфазный автоматический выключатель на 25 ампер.
Из-за общего рычага воздействия перегруженная фаза выбьет весь автомат. В итоге вместо возможности использования 15 кВт у вас останется только 5 кВт. Кстати о том
Как рассчитать нагрузку?
Для того чтобы правильно распределить нагрузку по фазам в загородном доме необходимо составить список особо мощных потребителей и хоть немного представить какие из них одновременно используются.
Для того чтобы было немного проще ориентироваться вот перечень наиболее мощных потребителей на, которые стоит ориентироваться при распределении нагрузки по фазам:
- Варочная поверхность 7 кВт;
- Духовой шкаф или духовка потребляет 2,5 кВт мощности;
- Стиральная машина — 1,7 кВт;
- Посудомоечная машина — 1,7 кВт;
- Электрический чайник — 2 кВт;
- Микроволновая печь — 1 кВт;
- Пылесос — 2 кВт;
- Утюг — 2 кВт;
- Бойлер накопительный — 2 кВт;
- Сплит-система — 1 кВт.
Теперь давайте вместе подумаем, что из этого будет работать совместно, а что вряд ли. И сделаем некую виртуальную модель как распределить нагрузку по фазам в частном доме. Для этого посчитаем возможную максимальную мощность.
Итак, как мы видим самое нагруженное помещение в доме — кухня.
Самая мощная в доме — варочная поверхность. Для загородного дома использовать необходимо трехфазную плиту, причем подключаем мы ее только на две фазы «В» и «С». Если мы задействуем только одну фазу, то мощности нам хватит только на две конфорки. Дальше поймете почему мы будем использовать только две фазы, а не три.
Все остальные розетки на кухне мы распределяем на фазу «А». Больше эту фазу мы не будем задействовать вообще. Это будет самая нагруженная фаза.
Однако и другую фазу мы не будем использовать на кухне. Исключение составит варочная поверхность, которая соединена по двухфазной схеме.
Это сделано для того, чтобы исключить появление двух разных фаз в соседних розетках. Тем самым мы обезопасим себя от возможности встречи с линейным напряжением. Это те 380 вольт, которые могут серьезно навредить здоровью. 220 вольт вообще не страшны по сравнению с 380 В. Запомните это.
Осталось совсем чуть-чуть. Бойлер вместе со стиральной машинкой подключаем через устройство защитного отключения на фазу «В».
Оставшееся оборудование вешаем на фазу «С».
Вот примерно так и распределяем нагрузку по фазам в частном доме.
Конечно, это приведена типовая схема распределения. Возможно, вы вообще не любите готовить и у вас есть только микроволновка. Также все относительно по поводу котельного оборудования, но результат везде должен получаться одинаковый. Мощность электроприборов распределяется равномерно по трем фазам, желательно, чтобы двух разных фаз не было в одной комнате. Если так не получается разводите их по противоположным сторонам помещения.
Если при сборке распределительного щита поставить устройства защиты от перенапряжения с индикаторами напряжения и тока: можно в режиме онлайн увидеть какая фаза перегружена, а где нет нагрузки. Тоже самое можно сделать с помощью токовых клещей.
Однако правильно собрать щит на этапе строительства выйдет гораздо дешевле и лучше, чем перекраивать его после.
Требования к распределительным щиткам
К электрическому оборудованию выдвигаются особые требования, поскольку оно отвечает за безопасность эксплуатации бытовых приборов. В обязательном порядке должно быть следующее:
- Наличие технического паспорта с описанием потребителей и номинального тока.
- Разработанная схема подключения.
- Маркировка проводов с обозначением приборов линии.
- Заземление щитка и всех подключаемых устройств.
- Если щит металлический, конструкция и дверцы должны быть заземлены, а покрытие корпуса — диэлектрическое.
- Наличие свободных клемм на шинах нулевого и заземляющего провода.
- Щиток изготовлен из негорючего материала.































