Принцип работы
В основе датчика движения — инфракрасное сенсорное устройство и схема сравнения (компаратор), включающая операционный усилитель. Если детектор находится в режиме ожидания, напряжение, идущее от сенсора, равняется опорному напряжению. Таким образом, на выходе из схемы имеется нулевое напряжение.
Также в схеме имеется устройство задержки выключения. Благодаря этому свет выключается не сразу после выхода объекта из радиуса охвата детектора, а спустя какое-то время (обычно 60-120 секунд).
В фонаре имеется несколько светодиодов. Данные устройства представляют собой полупроводники, образующие яркое свечение и отличающиеся экономным потреблением электроэнергии
Немаловажное достоинство светодиодов — долгий срок службы, достигающий 50 тысяч часов
На рисунке внизу показана схема функционирования светильника с инфракрасным датчиком движения.

Светодиодный фонарик (обзор + схема)
Светодиоды рвутся вперед быстрыми темпами. Не для кого, не секрет, что они уже оставили позади лампы накаливания и дневного освящения. Светодиодная продукция дешевеет на глазах, но пока она не доступна многим из нас.
Осветить дом светодиодным светом не только выгодно, но и достаточно просто, поскольку многие светодиодные лампы и светильники имеют стандартные цоколи. Но, к сожалению, на данный момент светодиоды являются самым дорогим способом для освещения.
Но каждый из нас может позволить себе купить небольшой светодиодный фонарик или сделать его своими руками. Как его сделать? Об этом узнаете чуть позже, сначала разберем «заводской» вариант.

Данный фонарь был куплен недавно, и я решил написать небольшой обзор для широкой публики. Должен заметить, что фонарик стоил 3$, что согласитесь немало для такого малыша.
Производитель и по сей день мне не известен, поскольку фонарик продавался без коробочки, а на корпусе нет никаких эмблем и надписей.
Купил его по одной причине — больно дизайн понравился, хотя в наличии уже имелись несколько светодиодных фонарей.
Придя домой решил разобрать, но это мне не удалось, поскольку фонарь почти полностью герметичен, откручивалась только задняя часть с выключателем (и то для замены батарейки). Сразу понравилась компактность и эргономичный дизайн, корпус алюминиевый, но покрашен в черный цвет, возможно не слишком устойчив ко всяким царапинам. Выключатель прорезиненный, находится в задней части корпуса.
Фонарик антиударный и водостойкий — в этом я убедился на практике: несколько раз уронив фонарь с достаточно большой высоты, а затем погрузил в воду — все работало без косяков.

Несмотря на компактные размеры, этого мальца снабдили сверхярким светодиодом, мощность которого была выяснена опытным путем. Для начала подключил светодиод к аккумулятору мобильного телефона 3,6 Вольт 1000 мА.
Светодиод был подключен через ограничительный резистор 6,2 Ом, ток потребления светодиода составил 170мА. После этого стало ясно, что светодиод на 0,5 Ватт (плюс минус 0,1 ватт), немало для такого фонарика.
- Источником питания является одна минипальчиковая батарейка с напряжением 1,5 Вольт.
- На фотографиях можно увидеть сравнение этого фонарика с более мощным фонарем (второй снабжен мощным супер-ярким светодиодом на 0,5 ватт).
Схема светодиодного фонарика
Было очень интересно, что за зверь питает такой фонарик и просто ради интереса решил посмотреть на внутренности, после чего был приятно удивлен. Поскольку корпус антиударный и почти полностью герметичный, то нужно разломать, чтобы дойти до начинки — DC-DC преобразователя напряжения и на то у меня ушло минут 5.

Внутри я обнаружил простенькую схему драйвера на основе СХ2601. Архивов о преобразователе очень мало, можно сказать, что вообще нет. Выходной ток схемы доходит до 350 мА, это означает, что такой компактный преобразователь способен питать достаточно мощные светодиоды на 1Ватт.
- Схема светодиодного фонарика
Схема заработала от пониженного напряжения (1,2 Вольт), что очень радует, поскольку можно питать ее от никелевых аккумуляторов. К драйверу был подключен светодиод на 1 ватт, работает драйвер отлично, без каких-либо перегревов.
Выходное напряжение было измерено только после добавления диода и конденсатора, выяснилось, что на выходе драйвера 4,2 Вольт (под нагрузкой 1 ватт снижается до 3,6 Вольт) Ток потребления от батарейки доходит до 1,5 Ампер, поэтому штатная пальчиковая батарейка выдыхается очень быстро.
Ремонт фонарей светодиодных или что делать если фонарик сломался
Фото инструкция по ремонту светодиодного фонаря. Фото кликабельны.
Любой электрически прибор может сломаться. Это так же касается светодиодных фонарейИнтернет магазин http://velos.com.ua дает гарантия до 3-х месяцев на все светодиодные фонари .
Все фонари проверяются при поступлении и повторно при продаже.В большинстве случаев, ремонт фонаря вполне доступен обычному человеку со стандартным набором инструментов.
В 90% случаев, все поломки происходят из за нарушения контакта в цепи фонаря.
Проблема 1. Не включается светодиодный фонарик или мерцает при работе
Как правило, это причина плохого контакта. Самый простой способ лечения — плотно закрутить все резьбы.Если фонарь не работает совсем, начните с проверки аккумулятора. Возможно он разряжен или вышел из строя.
Открутите задняя крышку фонаря и с помощью отвертки замкните корпус с минусовой контакт батареи. Если фонарик загорелся, значит проблема в модуле с кнопкой.
90% Кнопок всех светодиодных фонарей выполнены по одной схеме:Корпус кнопки из алюминия с резьбой, туда вставляется колпачок из резины, далее сам модуль кнопку и прижимное кольцо для контакта с корпусом.
Проблема чаще всего решается в слабо зажатом прижимном кольце. Для устранения этой неисправности достаточно найти круглогубцы с тонкими жалами или тонкие ножницы которые нужно вставить в отверстия, как на фото, и провернуть по часовой стрелке.
Если кольцо двигается, то проблема устранена. Если кольцо стоит на месте, значит проблема кроится в контакте модуля кнопки с корпусом. Выкрутите прижимное кольцо против часовой стрелки и вытащите модуль кнопки наружу.ЧАсто плохой контакт бывает из за окисления алюминиевой поверхности кольца или каемки на печатной плате Указаны стрелками)Достаточно просто протереть эти поверхности спиртом и функционал будет восстановлен.
Модули кнопок бывают разные. Одни у которых контакт идет через печатную плату, другие, у которых контакт идет через боковые лепестки на корпус фонаря.Просто отогните такой лепесток вбок, чтобы контакт был плотнее. Как вариант, можно сделать напайку из олова, чтобы поверхность была толще, и прижимался контакт лучше.Все светодиодные фонари, в принципе устроены одинаково
Плюс идет через плюсовой контакт батареи в центр светодиодного модуля.Минус идет через корпус и замыкается кнопкой.
Не лишним будет проверить плотность прилегания модуля светодиода внутри корпуса. Это так же частая проблема светодиодных фонарей.
Круглогубцами или щипцапи прокрутите модуль по часовой стрелке до упора. Будьте аккуратны, в этот момент легко повредить светодиод.
Этих действий должно быть вполне достаточно, чтобы восстановить функционал фонаря светодиодного.
Хуже, когда фонарь работает и режимы переключаются, но пучок очень тусклы, или фонарь вообще не работает и внутри запах гари.
Проблема 2. Фонарь работает нормально, но тускло, или не работает совсем и внутри запах гари
Скорее всего вышел из строя драйвер.Драйвер — это электронная схема на транзисторах, которая управляет режимами фонаря а так же отвечает за постоянный уровень напряжения вне зависимости от разрядки аккумулятора.
Вам нужно выпаять сгоревший драйвер и впаять новый драйвер, либо соединить светодиод напрямую с аккумулятором. В этом случае вы теряете все режимы и остаетесь только с максимальным.
Иногда (гораздо реже) выходит из строя светодиод.Проверить это можно очень просто. поднести к контактным площадкам светодиода напряжение 4.2 V/. Главное не перепутать полярность. Если светодиод горит ярко, то вышел из строя драйвер, если наоборот, то нужно заказывать новый светодиод.
Выкрутите модуль со светодиодом из корпуса.Модули бывают разные, но как правило, они сделаны из меди или латуни и выкручиваются против часовой стрелки. Отпаять провода от звезды со светодиодом и вынуть драйвер.
Купить светодиодный фонарик или проконсультироваться со специалистом вы может по телефонам в разделе «контакты»
Среди обращений в сервисный центр Fenix, на первом месте стоит проблема с кнопкой включения в хвостовой части фонаря. Если свет фонаря работает с перебоями, светодиод горит и выключается, наиболее вероятно, что металлическое кольцо в кнопке включения сидит неплотно.
Преимущества
Светодиоды используются в электронике давно, но благодаря развитию технологий их стали делать более яркими, чем прежде. Поэтому неудивительно, что они превратились в настоящие источники света. Из светодиодов в настоящее время все чаще собирают мощные и надежные ручные фонари. Такие приборы могут излучать яркий свет на дальнюю дистанцию. Кроме того, их цена на рынке постоянно снижается. Светодиодные самодельные фонари имеют такие достоинства:
- экономичность (приборы потребляют электроэнергии приблизительно в 10 раз меньше, чем лампы накаливания аналогичной мощности);
- долговечность (срок работы светодиода составляет не менее 10 тысяч часов);
- качественный световой поток (излучают свет, похожий на естественный);
- надежность (практически не портятся из-за механических ударов и сильных вибраций);
- отсутствие потребности в постоянном обслуживании.
Благодаря этим преимуществам мастера рекомендуют делать фонари именно из светодиодов.
Преобразователь напряжения
Чтобы обеспечить хорошую повторяемостью, для преобразователя была выбрана схема из , которая имеет достаточно широкий диапазон питающих напряжений (3…12 В) и доступную элементную базу. Этот ППН положительно зарекомендовал себя при использовании в различных авторских конструкциях в течение ряда лет.
Схема модернизированного аккумуляторного фонарика, с четырьмя светодиодами в излучателе, показана на рис. 1, из которого видно, что преобразователь — это управляемый блокинг-генератор. В такой схеме при изменении нагрузки или напряжения питания (для нашего случая – понижении напряжения АКБ в процессе разряда) у преобразователя изменяются как частота преобразования, так и ширина импульса «накачки» конденсатора С5, поддерживая, таким образом, стабильное напряжение на выходе ППН. Подробно работа преобразователя описана в .
Для повышения КПД в выпрямителе вторичного источника в моем варианте использован диод Шоттки, а для уменьшения внутреннего сопротивления АКБ в цепь первичного источника питания установлены оксидные конденсаторы в паре с керамическими. Следует отметить, что при изъятии АК G1 и G2 и подаче питающего напряжения в соответствующей полярности на соединитель XS1 фонарик с успехом может работать и от бортовой сети автомобиля.
Советы
Приобретайте фонарик в специализированных магазинах, обращайте внимание на продукцию известных брендов.
Осмотрите фонарик на предмет отсутствия повреждений и проверьте его исправность.
Не стоит выбирать светильник со сложной системой управления.
Если планируется поход по «сложной» местности, помимо основного фонарика стоит взять запасной светильник (хотя бы менее мощный). Это позволит увереннее чувствовать себя в лесу, пещере, тоннеле даже при отказе основного фонаря.
Ознакомьтесь с условиями и сроком гарантии
Производители качественной продукции дают гарантию на 5 лет.
В заключении
Для каких задач нужен фонарик? Это связано с тем, что абсолютно универсальных фонарей нет. Поэтому лучше брать фонарь для конкретных условий, с конкретными функциями и размерами. Например, для туристического похода важны легкий вес, водонепроницаемость, желательна блокировка от случайного включения.
Сколько денег вы готовы потратить на приобретение фонарика. Здесь нужно понимать, что чудес и в этой сфере (как и в других) не бывает, и действительно высококачественный фонарь не может стоить дешево, поэтому экономить в действительно важных случаях не стоит — себе может выйти дороже. С другой стороны, для редкого использования в безопасных условиях вполне может подойти сторублевый китайский фонарик — просто нужно четко понимать границы его применения и его потенциальную ненадежность.Всегда существует некий психологический, а, как правило, еще и банально материальный барьер. Причем, если первый в процессе изучения вопроса может сдвигаться (и к этому нужно быть готовым), то второй является более серьезным ограничением. Поэтому желательно для себя определиться с желаемой и максимальной ценой: «я бы хотел уложиться в 500 рублей, но могу при необходимости отдать и 3000, если фонарь будет идеально подходить под все мои требования»
Опять-таки, многое зависит от степени важности для вас тех или иных областей применения фонаря, а также от степени критичности этих применений для вашей жизни.
Собираем мощный светодиодный фонарик
Рассмотрим порядок сборки светодиодного фонаря своими руками. Для удобства процесс будет отображен поэтапно.
Подготовка светодиода с линзами
На алюминиевой пластинке отмечается диаметр колпака с рассеивающей линзой. На получившейся окружности отмечаются посадочные гнезда и прочие элементы радиатора. Затем по разметке вырезают и надфилем подгоняют по размеру теплоотвод для имеющегося светодиода. Затем с колпачка временно удаляют рассеивающую линзу и приклеивают радиатор с тыльной стороны. Для этого подойдет суперклей или иной быстросхватывающийся состав. Необходимо контролировать процесс склейки и обеспечить соосность всех отверстий на колпачке и алюминиевом теплоотвод
Залудить контакты ЛЕД элемента и припаять к ним соединительные провода. Их длина должна быть около 150 мм каждый, чтобы с гарантией превысить размер корпуса от шприца. Места пайки закрыть термоусадочной трубкой, которую нагреть феном или зажигалкой (что опасно, так как можно по неопытности перегреть светодиод). После этого светильник вставляют в колпачок и выводят провода наружу.

Обработка корпуса фонарика из шприца
От шприца понадобится только прозрачная трубка, емкость для набора препаратов. Поршень с рукояткой не нужен, его убирают сразу. Также с помощью острого ножа следует срезать подыгольный конус. В оставшейся части торцевой пластинки делают отверстия под контакты светодиода. Колпак приклеивают к корпусу, предварительно выведя внутрь оба соединительных провода. Наклеить его можно на любой состав, эпоксидку или «жидкие гвозди».
Подключение микромодуля зарядки и аккумулятора
Литиевый цилиндрический аккумулятор по диаметру подходит для установки внутрь корпуса. Устанавливают клеммы с соединительными проводами и вставляют устройство в корпус так, чтобы они оказались в передней части. Все провода — от светодиода и от аккумулятора — выводят наружу по боковой стенке источника питания.
Схема аккумуляторного фонарика на светодиодах
фонарик налобный со светодиодами BL — 050 — 7C
Фонарик BL — 050 — 7C поступает в продажу со встроенным зарядным устройством, при подключении такого фонарика к внешнему источнику переменного напряжения — осуществляется подзарядка аккумуляторной батареи.
Аккумуляторные батарейки, а точнее электрохимические аккумуляторы,- принцип зарядки таких элементов основан на использовании обратимых электрохимических систем. Вещества, образовавшиеся в процессе разряда аккумулятора, под воздействием электрического тока — способны восстанавливать свое первоначальное состояние. То есть подзарядили фонарик и можем дальше им пользоваться. Такие электрохимические аккумуляторы или отдельные элементы, могут состоять из определенного количества, — в зависимости от потребляемого напряжения:
- количества лампочек;
- типа лампочек.
Количество, комплект таких отдельных элементов фонарика, — представляют из себя батарею.
Электрическую схему фонарика рис.2 можно рассматривать как состоящей из простой лампочки накаливания так и из определенного количества светодиодных лампочек
Для любой схемы фонарика что именно важно? — Важно то, чтобы потребляемая энергия лампочками состоящими в электрической цепи — соответствовала выдаваемому напряжению источника питания батареи, состоящей из отдельных элементов
Читаем схему соединений:
Резистор R1 сопротивлением — 510 кОм и номинальным значением мощности — 0,25 Вт в электрической цепи соединен параллельно, за счет данного большого сопротивления, напряжение на дальнейшем участке электрической цепи значительно теряется, а точнее, часть электрической энергии преобразовывается в тепловую энергию.
Схема налобного фонаря
Популярная конструкция светодиодного фонаря – налобная. Такой светильник позволяет полностью освободить руки и направлять луч света в нужное место поворотом головы: вслед за взглядом. Это удобно при ремонте автомобиля, при прогулках по затемненным территориям и т.д.
Схема такого светильника строится по принципу:
- управляющая схема (отвечает за переключение режимов);
- буферный усилитель;
- транзисторный ключ для включения светодиода.
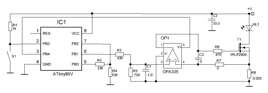
Один из вариантов такого устройства – когда блок управления выполнен на стандартном микроконтроллере (например, ATtiny85), в который зашита программа управления режимом излучателя, промежуточным усилителем служит операционный усилитель OPA335, а в качестве ключа используется полевой транзистор IRLR2905.
Схема карманного светодиодного фонарика на микроконтроллере.
Такая схема недорога, надежна, но имеет технологический недостаток: перед установкой надо программировать контроллер. Поэтому при массовом производстве в качестве блока управления используется специализированная микросхема FM2819 (на корпус может быть нанесено сокращенное обозначение 819L). Этот чип может включать и выключать светоизлучающий элемент, и запрограммирован на четыре режима:
- максимальная яркость;
- средняя яркость;
- минимальная яркость;
- стробоскоп (мигающий свет).
Режимы переключаются циклически коротким нажатием на кнопку. Длительное нажатие переводит фонарь в режим SOS. Изменить программу нельзя (по крайней мере, в даташите не говорится о такой возможности). Микросхема не требует промежуточного усилителя, но очень мощные светодиоды подключать напрямую к выходу нельзя – есть ограничение по нагрузке (и есть защита от ее превышения).
Схема карманного светодиодного фонарика на специализированном чипе.
Поэтому мощные элементы подключаются через ключ. В большинстве случаев им служит полевой транзистор, допускающий длительную работу с большим током в цепи стока, например FDS9435A производства Fairchild или других аналогичных, которые можно выбрать по параметрам из таблицы характеристик FDS9435A.
| Структура | Максимальное напряжение затвор-исток, В | Сопротивление канала в открытом состоянии | Максимальная рассеиваемая мощность, Вт | Наибольшй ток стока в постоянном режиме, А |
| Р-канал | 25 | 0,05 Ом при 5,3 А, 10 В | 2,5 | 5,3 |
Схема фонарика сводится всего к двум активным элементам и обвязке из нескольких конденсаторов и резисторов (плюс аккумуляторные элементы и матрица из светодиодов, само собой).
Как отремонтировать светодиодный фонарик?
Наиболее распространенными причинами поломок фонарей, в которых в качестве осветительных приборов используются светодиоды, являются:
- неисправности светодиодов;
- отсутствие в цепи питающего напряжения;
- поломка выключателя;
- выход из строя проводов, которые идут от светодиода к аккумулятору;
- контакты, к которым подключены элементы питания, окислились;
- пробой или выгорание электронных элементов схемы.
Например, ремонт светодиодного фонарика-ручки часто связан с заменой транзистора КТ315, который в схеме включен последовательно с одной из обмоток высокочастотного трансформатора Т1. Параллельно транзистору расположен светодиод VD1, являющийся нагрузкой блокинг-генератора.
Выбор разработчиками такого элемента, как КТ315, связан с его низкой стоимостью. Поэтому при ремонте устройства вместо установленного проводникового прибора можно использовать другие типы транзисторов с частотой более 200 МГц.
Если необходимо заменить трансформатор, то понадобится проволока 0,2 мм диаметром.
Нужно намотать по 20 витков для каждой обмотки в случае, когда используется ферромагнитное кольцо. При отсутствии последнего подойдет цилиндр, на который потребуется намотать обмотки уже по 100 витков каждая.
Ремонт прибора следует начинать с внешнего осмотра осветительных и электронных элементов цепи, проводов. При отсутствие явных признаков неисправности – выгоревших деталей, оборванных соединений, наличия налета и окислов, нарушающих нормальный электрический контакт, – понадобятся измерительные приборы, с помощью которых можно обнаружить вышедшие из строя электронные части.
Как выбрать подходящий
Выбор следует осуществлять согласно с вашими пожеланиями. Китайские фонари приобретают для разнообразных целей – поэтому и ассортимент видов широк. К примеру, для охотника нужен качественный, с прочным и надежным корпусом, желательно с возможностью установки на оружие.

Для рыбаков лучше всего приобретать светодиодные китайские фонарики, которые не нужно держать руками, таким образом, не будет упущена важная поклевка. Например, отлично подойдут налобные фонарики. Свет в рыбацких светодиодных фонариках должен быть теплым, либо комбинированным.

Для автомобилиста подойдут небольших размеров, со сменной AA батарейкой. Можно подобрать экземпляр в виде брелока.

Для дачи лучше подобрать конструкцию с защитой от пыли, влаги, падения, с мощным аккумулятором, желательно подзаряжаемым от обычной розетки, либо со сменными АА батарейками.

Выбор рукоятки
Отлично себя зарекомендовали светодиодные китайские фонарики с рукояткой из алюминия, но может подойти и пластиковая ручка. Дюралюминий так же неплох, он считается легким и прочным материалом, который не подвергается коррозии. Рукоятка должна иметь обязательно антискользящую поверхность, желательно с напылением, которое предотвратит рукоятку от царапин и других повреждений. В больших фонарях на корпус устанавливают ручку, таким образом, его удобнее держать одной рукой.

Зачастую рукоятка является и корпусом фонаря
В этом случае важно подобрать его из качественного материала, с хорошими креплениями. Если вы приобретаете китайский светодиодный фонарик для рыбалки, охоты или туризма, то корпус должен иметь защитную систему от жидкостей, ударов, огня
Какие виды светодиодных фонарей доступны покупателю
Выбор портативного прибора освещения определяется частотой использования, мощностью, размерами и назначением. Для некоторых покупателей важным также становится внешний вид, цвет и оформление дизайна. К примеру, компактные модели-брелоки отлично подходят для периодического применения (прогулка с собакой, освещение темных углов в подсобках, или дороги в темное время суток). Небольшие фонарики легко справляются с рядом задач, однако для более сложных действий не подходят. Для этого используются более сложные модели, различные по мощности и размерам. В частности, современный рынок портативных приборов освещения на светодиодах китайского производства, представлен следующими видами устройств:
- бюджетные, фонарики-брелоки, карманные (Е серия);
- профессиональные и тактические (RC, TK);
- туристические, походные и EDC-фонари на каждый день (LD, PD);
- налобные (HL и HP);
- велосипедные фары (ВТ).
В ситуациях, когда важна мощность светового потока, оптимальным решением становятся туристические предложения. Для профессиональной деятельности сотрудников МЧС или охранных фирм больше подходят тактические модели. В бытовых условиях, идеальными признаны карманные и налобные варианты, позволяющие улучшить видимость в ограниченном пространстве.
Критерии выбора светодиодных фонарей
Выбирая светодиодный фонарь, надо, прежде всего, обращать внимание на его основной элемент – светодиоды. Они могут отличаться по яркости на 20 или даже на 30%
Солидный производитель в руководстве к фонарику обязательно указывает тип светодиода, используемого в модели. Отсутствие такого рода информации может означать применение в конструкции фонаря дешевого светодиода с низкой эффективностью.
Рекомендуем Вам также прочитать про ультрафиолетовые лампы для ногтей.
Только в дальнобойных фонарях высокого класса свечения оправдано устанавливаются несколько светодиодов. И это вовсе не означает, что они слабые: просто этого требует специфика таких моделей.
Кроме технических характеристик светодиода, при выборе фонаря надо обращать внимание на следующие аспекты:
- поток света (люмен). Характеризует мощность светового луча и его дальность;
- исполнение по международному стандарту IPX-8. В инструкции указывается степень устойчивости фонарика к неблагоприятным условиям и механическим воздействиям. По данной характеристике можно узнать, будет ли работать модель под водой;
- характеристики покрытия корпуса (анодирование). В данном случае между толщиной защитного слоя и стойкостью фонарика к механическим повреждениям находятся в прямой зависимости;
- тип отражателя. Он может быть гладким или «мятым». Первый вариант применяют в дальнобойных моделях, второй – в фонариках ближнего действия;
- гладкое стекло или линза. При помощи стекла формируется пучок света высокой яркости, но края светового круга несколько ослаблены.
Немаловажную роль при выборе светодиодного фонаря играет и его стоимость. Диапазон цен на данную продукцию весьма обширен. Например, ручной фонарик может стоить от 1,5 до 31 тыс. руб.
В дорогих моделях предусмотрено переключение режимов свечения, они характеризуются больше мощностью. Дешевые фонарики такими достоинствами не обладают, но в быту их возможностей обычно бывает достаточно. Примерно такие же цены устанавливаются и на налобные фонари.

Мощный налобный фонарь (аккумуляторный, светодиодный)
Сделать фонарь от 1,5 В
Если вам нет необходимости разбираться в сложных схемах, чтобы получить мощный осветительный прибор, предлагаем также простой способ, с помощью которого можно сделать простейшие (хотя и довольно слабые) светодиодные фонари для дома. Такого фонаря вполне хватит для домашнего использования.
Чтобы упростить задачу, можно взять старый фонарик с лампой накаливания и работать с ним. Порядок действий следующий:
- Возьмите нефритовое кольцо и обмотайте проводом толщиной до 0,5 мм. Обязательно нужно сделать петлю или отвод в сторону.
- Соединяем между собой трансформатор, транзистор и светодиод. Чтобы получить более яркий свет, можно дополнительно установить конденсатор. Но это необязательно.
- Проверьте, горит ли светодиод. Если нет, то причина может быть в неправильной полярности аккумулятора, неправильном подключении транзистора и непосредственно светодиода. Не расстраивайтесь, если с первого раза схема не заработает.
- Чтобы светодиод светил ярче, используйте конденсатор С1.
- Установите переменный резистор вместо постоянного (подойдет на 1,5 кОма) и покрутите. Когда обнаружите положение, при котором диод начтет светить ярче и зафиксировать положение.
Когда схема готова, диод светит с максимальной яркостью и все работает, можно переходить к финишной работе.
- Измерьте диаметр трубки фонарика и вырежьте по нему круг из стеклотекстолита.
- Подберите подходящие детали нужных размеров и номинала.
- Сделайте разметку платы, разрежьте фольгу ножом и закрепите на круге.
- Чтобы спаять плату, лучше всего воспользоваться паяльником со специальным жалом. Если такового нет, можно просто обмотать вокруг паяльника зачищенную проволоку таким образом, чтобы один ее конец выступал вперед. Именно им вы и будете работать.
- Детали вместе с светодиодом, конденсатором и трансформатором припаяйте к плате. Изначально можно припаять не сильно, чтобы проверить работоспособность. Если все нормально работает, припаивайте окончательно.
- Когда все работает и плотно держится, можно вставить получившуюся плату в трубку фонарика. Если она входит без проблем, то вскройте края круга лаком. Это необходимо, чтобы не было контакта, ведь сам корпус в данном случае – минус.
Сделанный фонарь может полноценно и долго работать даже на разряженной батарее. Если батарейки нет вообще, лампочка загорится даже от нестандартного аккумулятора. Например, если в картошку вставить две проволоки из разных металлов и подключить светодиод. Не факт, что такой способ вам понадобится, но случаи бывают разные.
Светодиодные фонари получили хорошие отзывы от покупателей за счет своего низкого энергопотребления, невысокой стоимости и надежности. Лампы накаливания – далеко не лучший на сегодняшний день вариант. И теперь вы знаете, ка сделать светодиодный фонарик самостоятельно из подручных средств.





























