Установка за зеркалом
В санузле или в коридоре можно установить за зеркалом сенсорный выключатель света своими руками. Схемы подключения таких приборов не отличаются от таковых для обычных механических разновидностей. Такой выключатель монтируют за зеркальным полотном.
Такое приспособление срабатывает без прикосновения к стеклу или панели датчика. У него есть электронный блок и инфракрасный датчик. Проведя рукой в поле контроля чувствительного элемента, можно включить свет. При повторном движении нагрузка будет отключена. Это позволяет создать интерьер без выключателя
Для санузла, особенно в общественном заведении, это крайне важно. Да и для домашнего пользования такое приспособление станет удачным приобретением
Типы выключателей для дома (бытового применения)
Применяемые в быту различные виды выключателей должны быть удобными, безопасными, имеющими привлекательный дизайн. Они отличаются друг от друга по видам и типам. По способу установки включатель может быть встроенным или устанавливаться снаружи. В наше время чаще всего используют в качестве органов управления поворотную клавишу, такие выключатели распространены в Европе.
Типы выключателей для дома
В США предпочитают пользоваться выключателями рычажкового типа (тумблеры), видимо, не желая уходить от традиций. Но это сейчас, а в былые времена, когда еще Томас Эдисон только сделал свое изобретение использовались поворотные выключатели. Они были известны во всем мире в первой половине XX века и коммутировали до нескольких цепей в 3–4 положениях (пакетный выключатель). Пакетные выключатели используются до сих пор во многих старых щитках коммунального хозяйства.
Чтобы включить светильник, используют выключатель одноклавишный, для люстр применяют двухклавишный или даже трехклавишный выключатель. Для таких помещений, как туалет и ванная используют двойной выключатель света. Добавим, что в наш век продвинутых технологий появилось много выключателей с дополнительными функциями. Вот эти функции:
- выключатель с подсветкой для ночного времени
- выключатель с таймером отключения.
- Выключатели с регулятором яркости.
Если с первым типом функций все понятно, то второй используется, чтобы сэкономить свет в маленьких помещениях (кладовках, ванных комнатах) куда заходят на короткое время и забывают выключать свет. А третий может использоваться вместе с теми светильниками, которые поддерживают функцию диммера (регулятора освещенности, англ.). Иногда они идут в комплекте, так как такой вид приборов еще не стандартизован.
Непривычные типы выключателей
Выключатель света с датчиком движения – еще один способ экономии электричества, очень удобный. Свет включается, если инфракрасный датчик обнаруживает движение человека в поле зрения датчика. Повторное движение может отключать свет или это может сделать таймер, после того, как движение было обнаружено. Выключатель с датчиком движения не требует никаких действий от человека, достаточно его присутствия.
Есть один, так называемый умный выключатель, это – выключатель по хлопку. Так, как он реагирует на шум, может включится и непроизвольно. Внутри него стоит микрофон, он же усилитель и микропроцессорное устройство для того, чтобы распознать характер звука. С первого раза он может не сработать, так как запоминает звук от пользователя в памяти для последующего сравнения.
И такие бывают
Напольный выключатель выполняется в виде кнопки с фиксацией. Его можно включать нажатием ноги с небольшим усилием, а конструкция выполнена таким образом, чтобы вес ноги его не повредил.
Выключатель потолочный также является кнопкой с фиксатором, на которую усилие передается от рычага, с привязанным к нему шнуром. Механика скрывается за декоративной крышкой. Чтобы включить или выключить его, требуется слегка потянуть за шнур.
Оборудование умный дом для квартиры: управление светом через интернет
Доступность этого метода основана на том, что схема дистанционного управления освещением построена на использовании устройств, которые уже работают в большинстве наших квартир.
Государственные компании, занимающиеся информационными технологиями, уже давно обеспечили большинство жителей безлимитным интернетом, который работает круглосуточно.
Я приобрел оборудование умный дом для квартиры в Китае от компании Sonoff. Дальше показываю, как работает схема дистанционного управления освещением через интернет со смартфона.
В состав комплекта вошел интеллектуальный выключатель Sonoff и небольшой пульт брелок.
В принципе вся работа через интернет происходит через смартфон, а пульт нужен только для переключений света внутри квартиры. Хотя даже в этом случае можно обойтись своим мобильником.
Просто пульт брелок удобно держать в одном месте, им могут пользоваться все члены семьи, включая детей. К тому же он работает не зависимо от наличия WiFi.
Я сейчас не ставлю целью полностью описывать настройки смартфона и привязку его схемы к интеллектуальному выключателю, а заострю внимание на той трудности, с которой пришлось столкнуться при монтаже модуля в старую установочную коробку. Моя квартира расположена в многоэтажном панельном доме, построенном еще в советское время
Для электропроводки на заводе сразу создавали каналы для укладки кабелей
Моя квартира расположена в многоэтажном панельном доме, построенном еще в советское время. Для электропроводки на заводе сразу создавали каналы для укладки кабелей.
Они расположены под произвольными углами, часто в самых неудобных для монтажа местах: буквально в углублении на стыке стены и потолочной плиты. Из него вниз наклонно идет канал под выключатели или розеточные группы.
Старая схема подключения выключателя основана на разрыве только фазного провода. Поэтому потенциал нуля туда не тянут.
Однако интеллектуальный выключатель Sonoff без потенциала нуля работать не будет. Мне пришлось его туда тянуть через наклонный канал.
Когда я снял старый корпус выключателя, то увидел обычную алюминиевую лапшу — 2 жилы. Затем залез в распределительную коробку, если так можно назвать место стыковки плит, засыпанное мелкой щебенкой с обрывками газет и кусками бетона.
Увидел клубок из скруток проводов и черной изоленты. Индикатор напряжения и цифровой мультиметр помогли быстро разобраться в назначении каждого соединения.
Просунуть же дополнительную жилу потенциала нуля оказалось проблемой. Засыпанная щебенка с цементной пылью прочно заполнили все пространство кабельного канала.
Даже попытки пройти через этот состав жесткой стальной проволокой не увенчались успехом. А внутри комнаты не так давно были проведены косметические работы, поклеены новые обои. Разводить грязь не хотелось.
Применил старую хитрость:
- Отключил свет в квартирном щитке.
- Примотал прочной изолентой к нижнему концу старого двухжильного провода кусок медного кабеля с тремя жилами.
- Вставил пассатижи с длинными губками в потолочную полость и зажал ими верхний кусок алюминиевой лапши, ибо пальцами тянуть за нее там невозможно.
- Стал понемногу накручивать провод на пассатижи и убирать вылезающий мусор из канала, боясь, что он порвется. Но обошлось.
Таким способом получилось протащить через замусоренную магистраль новый кабель и убрать из нее несколько пригоршней мелких камней. Зачем их туда засыпали? Ответа на этот вопрос у меня нет.
Надеюсь, что мой опыт кому-нибудь да пригодится.
Кстати, многое оборудование компании Ноотехника: Беларусь тоже позволяет управлять светом дистанционно через интернет с мобильных устройств аналогичным образом.
Критерии выбора пульта управления светом
Выбирая пульт для управления освещением, нужно учитывать характеристики этого устройства, в том числе тип доступных лампочек, размеры и его внешний вид, включая материалы корпуса, цвет, форму и количество клавиш. Важными параметрами являются диапазон рабочего напряжения, количество каналов, радиус для покрытия сигналом и уровень номинального тока
Чтобы избежать возможных сбоев и неполадок, обращают внимание на предельно допустимую эксплуатационную нагрузку и перечень рабочих частот. Помимо этого значение будут иметь способ передачи командного сигнала, кодировка и вид питания передатчика
Беспроводные выключатели света
Неудивительными сегодня являются и беспроводные выключатели света. Главным их преимуществом является то, что вам не придется долбить стены каждый раз, включая свет, следовательно, у вас не будет засаленных кругов на обоях.

Также его можно установить в абсолютно любом месте вашего дома или квартиры, практически не испортив дизайна стены. Он охватывает большие участки и способен контролировать весь дом.

Само по себе устройство небольшого размера, закладывать его можно в сам осветительный прибор. Беспроводных выключателей достаточно немного, они подразделяются лишь на три признака: сколькими светильниками они могут управлять, способ управления и возможность регулировки осветительными приборами. Главная его особенность – легкая установка, не требующая сил профессионала.
Как управлять светом с помощью телефона Android
Если у вас есть телефон Android, вы будете рады узнать, что можете использовать его для управления освещением в вашем доме. Однако вам понадобится специальное программное обеспечение, которое позволит вам это сделать.
Начиная
Вот основные факторы, которые необходимо учитывать:
Технологии
Важнейшим компонентом системы умного домашнего освещения являются ее технологии. Вот самые популярные из них:
- Системы интеллектуального освещения Wi-Fi. Такие интеллектуальные светильники используют для работы ваш маршрутизатор Wi-Fi, что означает, что вы можете управлять ими удаленно. Однако имейте в виду, что если ваш интернет не работает, вы не сможете управлять светом.
- Системы освещения на основе Bluetooth. Эти интеллектуальные светильники работают локально и используют смартфоны с поддержкой BLE. Умные домашние светильники Bluetooth также могут управляться удаленно, но только если у вас есть концентратор Bluetooth, который подключает светильники к Интернету.
- Системы освещения, использующие ZigBee или Z-Wave. Светильники ZigBee или Z-Wave используют для работы локальную беспроводную сеть и обычно требуют концентратора, который подключается к вашему маршрутизатору. Большинство таких фонарей поставляются с собственной версией концентратора.
Приложение для мобильного телефона
Если вы хотите удаленно управлять своим освещением, вам, скорее всего, понадобится приложение, разработанное для вашего телефона Android. Такие приложения делятся на два типа: однозадачные и многозадачные.
Однозадачные приложения управляют только вашим умным освещением, а многозадачные приложения управляют всеми устройствами умного дома.
Вот самые популярные Android-приложения для умного освещения:
- Smart Life — это универсальное приложение позволяет вам управлять освещением и другими устройствами умного дома.
- Philips Hue — приложение предназначено для управления интеллектуальными светильниками и аксессуарами Philips Hue. Помимо включения и выключения света, это приложение позволяет вам регулировать яркость, температуру, цвет, персонализировать расписание и т. д.
- Hue Disco — если вы хотите превратить свою комнату в танцпол, это приложение — все, что вам нужно. Он соединяет свет с музыкой, поэтому цвета меняются в зависимости от ритма.
- Ecobee — это приложение отлично подходит для управления температурой и умным домашним освещением в вашем доме.
Как превратить обычное домашнее освещение в интеллектуальное освещение
Если вы хотите иметь интеллектуальную систему освещения, вам необходимо инвестировать по крайней мере в одно из следующего:
Умные лампочки
Умные лампочки предназначены для замены обычных ламп без каких-либо модификаций или ремонта. Они будут вписываться прямо в существующую арматуру. Большинство умных лампочек могут подключаться к вашей сети Wi-Fi, поэтому вам не нужно покупать концентратор. Другие варианты, такие как лампочки, работающие на ZigBee, требуют концентратора.
Умные лампочки бывают самых разных размеров, цветов, форм и конфигураций, что дает вам множество вариантов выбора идеальной лампы для вашего дома.
Умные переключатели
Вы можете наслаждаться умным домашним освещением с помощью обычных лампочек. Однако вам нужно будет заменить встроенные в стену переключатели умными переключателями. Эти переключатели интегрируются в электрическую систему вашего дома. Установка интеллектуального выключателя может быть более экономичным решением, чем интеллектуальные лампочки, если у вас есть встраиваемые светильники, управляемые одним выключателем.
Умные диммеры
В отличие от обычных умных выключателей, умные диммеры предлагают функцию затемнения. Ими также можно управлять с вашего телефона Android.
Умные розетки
Умные розетки превращают ваш обычный автономный светильник в интеллектуальное устройство, что позволяет управлять им с телефона.
Хабы
В зависимости от технологии, которую вы выберете, вам может потребоваться приобрести концентратор. Без него вы не сможете управлять освещением с помощью телефона Android.
Проверяем работоспособность устройства
После того, как основной монтаж окончен, необходимо убедиться в правильности и качественности выполненных действий. Однако стоит помнить, что промежуточные проверки надежности креплений, соответствия цветовых маркировок проводников, отсутствия сгибов, переломов, скруток рекомендуется делать на каждом этапе работы.
Контрольная проверка заключается в визуальном осмотре места монтажа и последующем включении электричества. Отсутствие искр, неприятного запаха и сработавшего автомата и наличие яркого, немигающего света говорит о точном соблюдении всех инструкций.
С помощью приведенных пошаговых фотографий всего процесса монтажа выключателя осуществить самостоятельный ремонт или наладку системы освещения в доме под силу каждому человеку. Главное, тщательно следовать алгоритму и помнить о технике безопасности.
Система дистанционного управления светом в квартире
Схема управления светом через Интернет
Управление светом в квартире может осуществляться выключателями, радиус действия которых до 100 м или меньше, в зависимости от площади помещения. Если на пути сигнала имеются несущие стены или в стенах железная арматура, есть ретрансляторы радиосигнала, которые позволяют обойти препятствия и усилить мощность передающего устройства.
В квартире можно установить 2 системы управления светом:
- Локальные, если подсоединен один источник освещения к одному выключателю.
- Глобальные. В этом случае все лампы и точечные группы будут подсоединены к единой панели управления. В схему могут входить кондиционеры, системы вентиляции и другие электрические приборы, например, автоматические жалюзи или роллеты.
В больших квартирах есть возможность совместить работу датчиков и дистанционного выключателя. Это нужно для временного освещения проходных зон. Датчик устанавливается по ходу движения и срабатывает, если человек входит в определенную зону, затем выключается.
Прибор может работать в нескольких режимах:
- Временный. При нажатии на кнопку свет включается на определенное время, затем самостоятельно гаснет.
- Включение/Выключение. При однократном нажатии кнопки происходит либо включение, либо отключение приборов.
- В моностабильном режиме при удерживании кнопки свет будет гореть. Если отпустить – погаснет.
- Бистабильный режим – это циклическое изменение состояния работы прибора.
Чем больше режимов, тем дороже оборудование.
С.В. для настольной лампы — 2 режима работы
Установка такого устройства в настольную лампу позволяет обойтись без клавишного выключателя и не искать его в темноте, а включать лампу прикосновением к корпусу. При кратковременном прикосновении она включается и выключается, а длительное касание регулирует яркость.
У такого светильника есть недостатки:
- отсутствие срабатывания при неправильном положении вилки в розетке — в этом случае необходимо развернуть вилку.
- ложные срабатывания при установке светильника на металлическую тумбочку — в этом случае следует установить его на диэлектрическое основание, из дерева или ДСП.
Схема С.В. для настольной лампы, собранная на 1 микросхеме
Этот регулятор собран на микросхеме 145АП2. Управление осуществляется одним сенсором, обеспечивающим включение, отключение и регулировку яркости. При отсутствии ошибок при монтаже схема начинает работать сразу, без настройки.
Силовой частью схемы являются транзистор КТ3102Б и симистор КУ602Г. При необходимости он меняется на более мощный или включается на управляющий вывод мощного симистора.

Схема сенсорного выключателя для настольной лампы
Используется этот регулятор аналогично прибору фабричного производства — включение/отключение производится кратковременным прикосновением к сенсору. При длительном касании производится регулировка яркости, которая запоминается и воспроизводится при повторном включении.
В качестве сенсора используется корпус светильника.
2 случая необходимости ремонта С.В. для настольной лампы
Ремонт такого аппарата сводится к замене деталей. Самая распространённая проблема — отсутствие света или постоянное свечение. Причина этого в неисправном симисторе. Его следует заменить, а в остальных случаях решить вопрос об экономической целесообразности ремонта.
Устройство и работа выключателя с подсветкой
Многие выключатели сейчас оснащаются цепью подсветки. Она выполняет несколько функций:
- позволяет определить местонахождение включателя в темноте;
- служит индикатором отключенного состояния коммутационного прибора;
- в некоторых случаях свечение свидетельствует о целостности цепи освещения (а в случае применения ламп накаливания – и об исправности лампочки).
Цепь освещения собирается на приборе, для свечения которого достаточно очень малого тока — единицы миллиампер. Для использования в таких условиях пригодны светодиоды или миниатюрные неоновые лампы.
Цепь подсветки и схема ее работы.
Из схемы включения видно, что когда основной коммутационный прибор отключен, через светодиод идет ток, ограниченный резистором и сопротивлением светильника. Если выключатель замкнут, то цепь подсветки зашунтирована и LED не горит. Если отключить лампу, то свечения также не будет – цепь разрывается.

В эпоху доминирования ламп накаливания цепь подсветки не оказывала никакого влияния на работу схемы. Когда получили распространение энергосберегающие и светодиодные светильники, даже крайне малый ток, текущий через резистор и LED в некоторых случаях вызывает неприятное мигание ламп. Для борьбы с этим явлением надо зашунтировать светильник резистором в несколько килоом или конденсатором.
Обзор дистанционных включателей
Дистанционное управление яркостью света
Среди наиболее известных на рынке моделей особо выделим выпускаемый в Белоруссии ИК дистанционный переключатель света типа «Сапфир-2503», а также систему с радиоуправляемым каналом марки «Ноотехника Ноолайт». С изделием первой их этих фирм можно ознакомиться на приведённом ниже фото.

ДУ типа «Сапфир-2503»
Ещё один тип беспроводных выключателей и устройств коммутации осветительного оборудования по радиоканалу выпускается таким известным . К ним следует отнести такие распространённые модели, как AWST-8800, AWST-8801, а также переносной брелок «СоСо» AKCT-510 и встраиваемый передатчик AWMT-230.
Модели от двух последних производителей систем дистанционного управления практичнее и удобнее, чем подобные им выключатели с передачей сигнала по ИК каналу. С их помощью удаётся одновременно управлять всем осветительным оборудованием в доме практически из любой его точки (из самых удалённых комнат). Наличие в комплекте этих приборов специальных диммеров существенно расширяет возможности системы и позволяет осуществлять регулировку освещённости внутренних пространств.
Входящие в их состав переносные пульты управления допускают возможность выбора того или иного сценария действий, приводящего к подключению света. Более «продвинутые» изделия от рассмотренных производителей могут содержать в своём составе специальный контроллер RGB, способный выполнять целый ряд операций, а именно:
- Включать освещение по заданному адресу или сразу во всём доме;
- Регулировать уровень яркости свечения ламп;
- В соответствии с заданной программой устанавливать нужное соотношение различных цветовых гамм при светодиодной подсветке с их последовательным перебором.
Благодаря довольно компактным размерам электронной части этих устройств дистанционный переключатель допускается размещать внутри стакана люстры или светильника. При управлении с пульта его можно будет переключать по радиоканалу с расстояния примерно 30-ти метров.
Большинство из рассмотренных образцов управляющих систем способно работать с бытовыми потребителями, рассчитанными на мощность до 3,5 кВт. Для их самостоятельного подключения необходимо проделать следующие обязательные операции:
- Сначала выбирается нагрузка с подходящей для данного устройства рабочей мощностью;
- После этого вводным автоматом снимается напряжение с дома или квартиры;
- На завершающей стадии работ в разрыв питающей линии устанавливается ответственный за выключение света силовой блок.
Со всеми деталями подключения конечного исполнительного устройства можно будет ознакомиться в следующем разделе.
Дистанционный выключатель света на основе лазера
Эта простая схема дистанционного выключателя построена на таймере NE555. В качестве управляющего элемента использована лазерная указка. Эта схема была опробована в работе с расстояния 50 метров и показала хорошие результаты. По большому счету дальность действия зависит от мощности и качества самого лазера. Электрическая схема дистанционного выключателя:
При наведении лазерного луча на фоторезистор U1 происходит включение нагрузки через электромагнитное реле, а при фокусировке лазерного луча на фоторезистор U2 — выключение.
Инвертор 12 В/ 220 В
Инвертор с чистой синусоидой, может обеспечивать питание переменно…
Подробнее
Зеркало с подсветкой в ванную комнату с С.В. — 3 вида сенсоров и пример использования
Интересный дизайнерский эффект даёт подключение такого устройства для подсветки зеркала. Можно приобрести готовый или изготовить самостоятельно.
Для этого необходимо приобрести электронную плату и подключить её к лампе. В качестве сенсора используется крепление зеркала, полочки и даже труба — полотенцедержатель.
При ремонте в ванной можно сделать встроенное зеркало с подсветкой, устанавливаемое вместо четырёх кафельных плиток. За ним в углублении в стене прячутся светильники и плата управления, а за кафелем – провода. Приобрести эту плату можно вместе с датчиком движения на Алиэкспресс. В качестве сенсора используется хромированная настенная мыльница, а датчик движения устанавливается в углу.
Получившаяся система работает очень эффектно — при попытке помыть руки включается свет, а через 2 минуты после того, как человек отходит от умывальника, он отключается.
Дистанционный выключатель света при помощи ПДУ
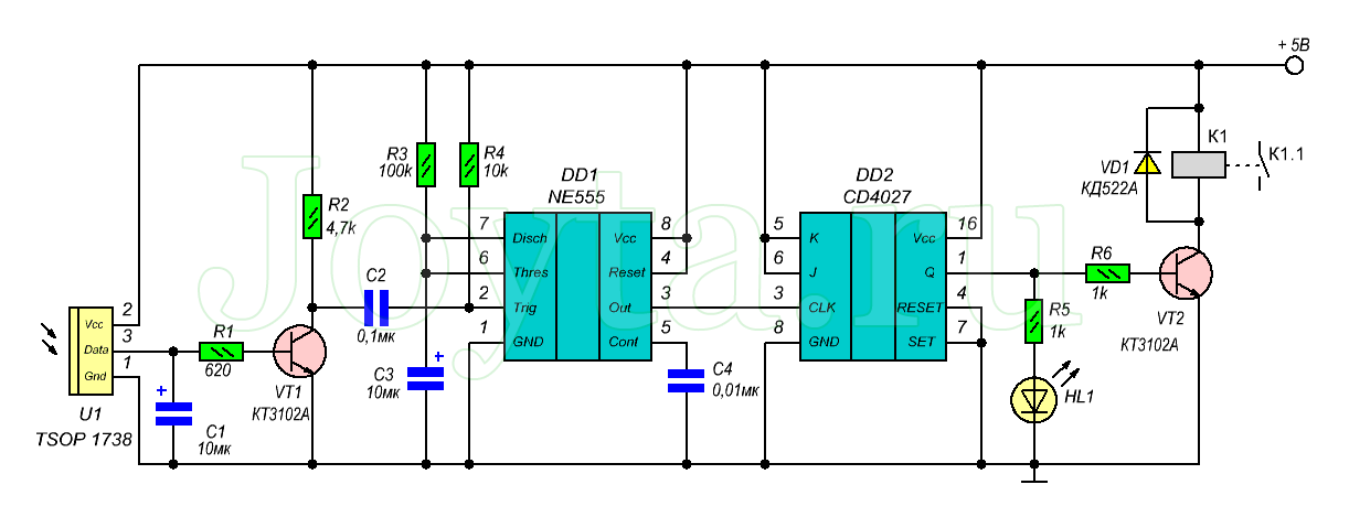
Это простая схема для дистанционного включения и выключения любого электрического устройства при помощи обычного пульта дистанционного управления (ПДУ).
Дальность действия дистанционного выключателя составляет около 10 метров. В качестве датчика используется 3-контактный ИК- приемник (TSOP 1738 или его аналог), работающий на частоте 38 кГц. При обнаружении ИК-излучения, на выходе датчика появляется сигнал лог.0, который в свою очередь усиливается транзистором VT1.

С выхода транзистора VT1 усиленный сигнал запускает ждущий мультивибратор на таймере NE555 . Импульс с выход (3) таймера, имеющий длительность в 1 секунду, переключает JK-триггер, чей выход (1) через транзистор (VT2) управляет электромагнитным реле. С каждым новым сигналом от NE555, выход JK-триггера будет изменяться на противоположное состояние.
Светодиод HL1 используются для отображения состояния выходного каскада во время работы устройства. Схема запитана от стабилизатора напряжения 7805. Конденсатор С2 и резистор R4 предназначены для предотвращения ложного срабатывания таймера NE555.
Характеристики беспроводных устройств

У беспроводного выключателя для света вне зависимости от бренда есть основные характеристики:
- управление при помощи кнопок, сенсоров или пульта;
- наличие или отсутствие регулировки интенсивности света;
- количество устройств в системе (от 1 до 8);
- радиус действия – от 10 м стандартно, 15-20 м при наличии бетонной стены, 100-150 м в режиме прямой видимости;
- автономность – работает на батарейках или от мини-генератора.
У бюджетных модификаций есть все перечисленные функции. Продвинутые гаджеты оснащаются несколькими опциями:
- задержка старта – начинают работать не сразу, а в момент выхода из помещения;
- многоканальность – управление несколькими выключателями в пределах одного здания;
- наличие сенсорной панели – активация по касанию;
- прием сигнала через Wi-Fi – сигналы подаются со смартфона, компьютера, планшета.
Зеркало с подсветкой в ванную комнату с С.В. — 3 вида сенсоров и пример использования
Интересный дизайнерский эффект даёт подключение такого устройства для подсветки зеркала. Можно приобрести готовый или изготовить самостоятельно.
Для этого необходимо приобрести электронную плату и подключить её к лампе. В качестве сенсора используется крепление зеркала, полочки и даже труба — полотенцедержатель.
При ремонте в ванной можно сделать встроенное зеркало с подсветкой, устанавливаемое вместо четырёх кафельных плиток. За ним в углублении в стене прячутся светильники и плата управления, а за кафелем – провода. Приобрести эту плату можно вместе с датчиком движения на Алиэкспресс. В качестве сенсора используется хромированная настенная мыльница, а датчик движения устанавливается в углу.
Получившаяся система работает очень эффектно — при попытке помыть руки включается свет, а через 2 минуты после того, как человек отходит от умывальника, он отключается.
Контроллер дистанционного управления
Еще его называют «свитчер» с пультом — помимо управления с пульта, этот прибор коммутирует нагрузки в разных
последовательностях при управлении с обычного выключателя. Рассчитан на подключение от двух до четырех нагрузок (
зависит от модели контроллера). Подобные устройства используются в современных люстрах с множеством комбинаций
горящих ламп (зачастую не имеют управления с пульта).
Данное устройство, по сути совмещает в себе два узла: переключатель режимов («свитчер») и
собственно устройство дистанционного управления. Наличие первого, на мой взгляд, сильно ограничивает
функциональность прибора.
Почему переключатель режимов негативно сказывается на практичности? Все просто: в первую очередь весь
контроллер — это устройство коммутации нескольких групп освещения при помощи обычного выключателя, а
радиоуправление — вторичная функция, бонус. Другими словами, прибор включается последовательно с обычным
выключателем и не рассчитан на прямое подключение или равнозначное управление как с пульта, так и с
выключателя.
Если устройство подключить напрямую, без выключателя, то при подаче электричества первая группа света
будет включена автоматически. Выключить свет можно будет только с пульта. То есть при отключении и последующей
подаче электроэнергии — первая группа ламп будет включена, без ведома хозяина. Это очень важный момент —
освещение будет зависеть от перебоев с электричеством. Вы приходите домой, а честно выключенный свет горит
без вашего ведома.
При использовании этого решения, ни о каком качественном использовании не может быть и речи! Данное устройство
нужно подключать последовательно с выключателем и пульт д/у использовать только при замкнутых контактах
механического выключателя. О надежном включении можно говорить только тогда, когда с пульта можно всегда включить
свет и не боятся, что он случайно включится от проблем с электроэнергией. По-настоящему качественным
можно считать такое решение, когда свет управляется равнозначно с обычного выключателя и с пульта, без ложных
включений. Ведь пульт управления всегда может потеряться.
По всему изложенному можно вынести вердикт: контроллер дистанционного управления приемлем лишь в люстрах с
несколькими группами ламп, которыми нужно управлять одной клавишей выключателя. Для громкого названия «умный
дом» — устройство слишком «глупое»!




























