Маркировка smd компонентов
Так называемые компоненты SMD применяются для монтажа на поверхности и при этом имеют крайне маленькие размеры. Соответственно, по этой причине на них нанесена разметка, которая имеет минимальные размеры. Вследствие этого есть система сокращения как цифр, так и букв. Буква имеет обозначение емкости определенного объекта в единицах пикофарады. Что же касается цифры, то она обозначает так называемый множитель в десятой степени.
Весьма распространенные электролитические конденсаторы могут иметь на своем непосредственном корпусе значения основного типа параметра. Это значение имеет дробь в виде десятичного типа.
Определение полярности при стертой маркировке
В таком случае необходимо собрать несложную электрическую схему:
- Перед этим обязательно надо разрядить используемый конденсатор, к примеру, замкнуть его ножки накоротко с помощью отвертки;
- В определенной схеме последовательно соединяем источник постоянного тока (обычную батарейку), милливольтметр, резистор с сопротивлением 1 кОм, микроамперметр и разряженное наше устройство;
- Потом на данную схему подается напряжение, при этом электролитический конденсатор начнет накапливать заряд;
- После полной его зарядки необходимо зафиксировать показания прибора по измерению силы тока;
- Далее извлекаем и разряжаем накопитель. Это можно сделать, соединив два выхода устройства с лампой. Если она гаснет, значит, наш конденсатор разрядился;
- Повторно собираем схему и снова заряжаем полярный элемент;
- Снимаем новые показания силы тока и сравниваем с полученными данными в первый раз. Если «+» конденсатора был соединен с плюсом милливольтметра, то представленные измерительные данные будут отличаться незначительно. Противоположный результат будет означать, что полярность накопителя перепутана.
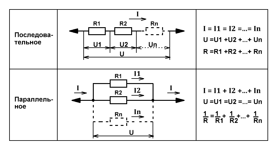
Параллельное соединение
Несколько конденсаторов могут включаться последовательно или параллельно. При параллельном соединении ёмкости всех конденсаторов суммируются. При последовательном соединении общая ёмкость батареи конденсаторов меньше самой маленькой, так как складываются величины, обратные емкости. Но зато напряжение, при котором можно работать такая батарея, будет больше рабочего напряжения одного конденсатора.
На материнских платах в цепи низковольтного источника напряжения, питающего ядро процессора, используется несколько однотипных конденсаторов, соединенных параллельно. Интересный вопрос: почему бы не поставить один конденсатор емкостью, эквивалентной емкости батареи конденсаторов? Дело в том, что у параллельно соединенных конденсаторов суммарное ESR будет гораздо меньше, чем ESR одного конденсатора. Потому что при параллельном соединении сопротивлений общее сопротивление уменьшается.
Соединения конденсаторов.
Другие способы определения полярности
Самый простой вариант для определения где плюс у светодиода – это батарейки с материнской платы, типоразмера CR2032.
Её напряжение порядка 3-х вольт, чего вполне хватит чтобы зажечь диод. Подключите светодиод, в зависимости от его свечения вы определите расположение его выводов. Таким образом можно проверить любой диод. Однако это не очень удобно.
Можно собрать простейший пробник для светодиодов, и не только определять их полярность, но и рабочее напряжение.
Схема самодельного пробника
При правильном подключении светодиода через него будет протекать ток порядка 5-6 миллиампер, что безопасно для любого светодиода. Вольтметр покажет падение напряжения на светодиоде при таком токе. Если полярность светодиода и пробника совпадёт – он засветится, и вы определите цоколевку.
Знать рабочее напряжение нужно, так как оно отличается в зависимости от типа светодиода и его цвета (красный берет на себя менее 2-х вольт).
И последний способ изображен на фото ниже.
Включите на тестере режим Hfe, вставьте светодиод в разъём для проверки транзисторов, в область помеченной как PNP, в отверстия E и C, длинной ножкой в E. Так можно проверить работоспособность светодиода и его распиновку.
Если светодиод выполнен в другом виде, например, smd 5050, вы можете воспользоваться этим способом просто – вставьте в E и C обычные швейные иглы, и прикоснитесь к ним контактами светодиода.
Любому любителю электроники, да и самоделок вообще нужно знать, как определить полярность светодиода и способы их проверки.
Будьте внимательны при выборе элементов вашей схемы. В лучшем случае они просто быстрее выйдут из строя, а в худшем – мгновенно вспыхнут синем пламенем.
Как определить, где плюс и минус
Существует несколько способов определения полярности светодиода:
- визуально (по ножке, по внутренней стороне лампочки, по толщине проводов);
- с помощью измерительного прибора (мультиметра, тестера);
- подключение питания;
- согласно технической документации.

Наиболее широко используется визуальный осмотр устройства. Производители стараются указывать метки и этикетки, по которым можно определить, где плюс, а где минус светодиода. Все вышеперечисленные способы просты и могут быть использованы человеком без надлежащих знаний.
Определяем зрительно
Визуальный осмотр — самый простой способ определить полярность. Существует несколько типов светодиодных пакетов. Наиболее распространен цилиндрический диод диаметром 3,5 мм и более. Чтобы определить катод и анод диода, нужно рассмотреть устройство. Сквозь прозрачную поверхность будет видно, что площадь катода (отрицательный контакт) больше площади анода (положительный). Если внутрь заглянуть невозможно, стоит посмотреть на выводы, они тоже различаются по размеру. Катод будет больше.
Накладные светодиоды широко используются в прожекторах, лентах и светильниках. Вы также можете визуально идентифицировать контакты в них. У них есть ключ (безель), указывающий на отрицательный электрод.
Некоторые светодиоды могут иметь маркировку с указанием полярности. Это точка, кольцевая полоса, которая движется к плюсу. Самые старые образцы имеют заостренную форму с одной стороны, соответствующую положительному электроду.
С помощью подключения питания
Подходящие электроды можно найти, подав небольшое напряжение. С помощью этого метода также можно определить исправность устройства. Требуется источник постоянного тока (например, батарея или аккумулятор). Светодиод должен быть присоединен к контактам. При правильном подключении и повышении напряжения до 3 В диод включится и увеличит свою насыщенность и яркость. При неправильном подключении и несоблюдении полярности светодиод не загорится.
Кроме того, последовательно может быть включен токоограничивающий резистор сопротивлением более 600 Ом. Это защитит светодиод от выхода из строя.
Применение мультиметра
Мультиметр – профессиональный прибор, помогающий определить не только плюс и минус светодиода, но и найти короткое замыкание в электрической сети, продиагностировать электронные компоненты и измерить основные параметры. С помощью мультитестера также можно определить цвет яркости диода и его пригодность к использованию.

Проверить мультиметром можно тремя способами:
- Переключатель мультитестера стоит в положении «Проверка сопротивления — 2 кОм». Щупы должны касаться электродов светодиода. Когда красный щуп коснется анода, а черный щуп коснется катода, на экране появится число от 1600 до 1800. В противном случае или в случае неисправности на экране появится 1. Метод заключается в том, что есть нет хрустальной подсветки.
- Переключатель должен находиться в положении «непрерывность цепи, проверка диодов». Когда красный щуп касается анода, а черный щуп касается катода, загорается светодиод. В противном случае диод вообще не будет реагировать.
- Для последнего метода зонды не требуются. Большинство моделей имеют две вилки, возле которых есть обозначения Е и С — эмиттер и коллектор соответственно. Они используются для проверки транзисторов, но этот метод подходит и для светодиода. Если катод поместить в отверстие C, светодиод загорится. Это самый быстрый и эффективный метод.
Определение с помощью технической документации
В документе на светодиод можно найти достаточно информации о производителе, характеристиках, включая полярность. Паспорт на устройство выдается редко; можно получить, закупив большую партию комплектующих.
Вы можете узнать информацию самостоятельно, если знаете марку светодиода. По таблицам с техническими характеристиками этой модели можно узнать способ подключения и где плюс, а где минус.
Параметры качественного светодиодного фонаря
На сегодняшний день на рынке можно приобрести большое количество и обычных фонарей, но их активно вытесняют светодиодные. Произошло это в первую очередь из-за того, что последние дают намного более яркий свет.
Для того чтобы правильно подобрать светодиоды для фонариков, характеристики которых весьма разнообразны, необходимо при выборе учесть все основные требования покупателя
То, на что нужно обратить внимание – это тип луча, он может быть широким или узким. Какому виду отдать предпочтение, зависит от будущего применения
К примеру, чтобы можно было видеть предметы на расстоянии 30 метров, лучше подобрать фонарик с широким лучом, а модели с узким могут хорошо подсветить удаленные объекты. Чаще всего такое освещение имеют тактические приборы, которыми пользуются туристы, охотники и велосипедисты.
Еще одним важным фактором, влияющим на работу фонаря, является тип его питания. Для самых простых бытовых приборов используются обыкновенные батарейки типа АА или ААА, но для сильных и мощных устройств такого объема будет недостаточно. В этом случае необходимо воспользоваться литий-ионными аккумуляторами, которые могут работать беспрерывно в течение 5 часов.
Стоит обратить свое внимание и на светодиоды для фонариков, характеристики яркости которых отличаются между собой не более чем на 40%. Гарантией качества выбранных устройств служит наличие маркировки
В случаи ее отсутствия можно говорить о несертифицированном изделии, чаще всего китайского производства.
Как определить, где анод, а где катод?
При определении катода и анода необходимо в первую очередь ориентироваться на направление тока, а не на полярность источника питания. Несмотря на то, что эти понятия тесно связаны с полярностью тока, они больше обусловлены направлениями векторов электричества.
Например, в аккумуляторах, при перезарядке, происходит изменение ролей катода и анода. Это связано с тем, что во время зарядки изменяется направление электрического тока. Электрод, выполнявший роль электрода при работе аккумулятора в режиме источника питания во время зарядки выполняет функции катода и наоборот – катод превращается в анод.
На рис. 1, изображено процесс электролиза, при котором происходит перемещение анионов (отрицательных ионов) и катионов (положительных ионов). Анионы устремляются к аноду, а положительные катионы – в сторону катода.
Рис. 1. Электролиз
При электролизе перемещаются носители зарядов разных знаков, однако, по определению, анодом является тот электрод, в который втекает ток. На рисунке анод подсоединён к положительному полюсу источника тока, а значит, ток условно втекает в этот электрод.
Обратите внимание на рисунок 2, где изображена схема гальванического элемента. Рис. 2
2
Гальванический элемент
2. Гальванический элемент
Рис. 2. Гальванический элемент
Плюсовой вывод источника тока является катодом, а не анодом, как можно было бы ожидать. При внимательном изучении принципа работы гальванического элемента можно понять, почему анод является отрицательным полюсом.
Обратите внимание на рисунок строения гальванического источника тока. Стрелки (вверху) указывают направление движения электронов, однако направлением тока условно принято считать перемещение от плюса к минусу. То есть, при замыкании цепи, ток входит именно в отрицательный полюс, который и является анодом, на котором происходит реакция окисления
То есть, при замыкании цепи, ток входит именно в отрицательный полюс, который и является анодом, на котором происходит реакция окисления
Иначе говоря, ток от положительного электрода через нагрузку попадает на анод, являющийся отрицательным полюсом гальванического элемента. При вдумчивом подходе все стает на свои места
То есть, при замыкании цепи, ток входит именно в отрицательный полюс, который и является анодом, на котором происходит реакция окисления. Иначе говоря, ток от положительного электрода через нагрузку попадает на анод, являющийся отрицательным полюсом гальванического элемента. При вдумчивом подходе все стает на свои места.
При определении позиций анода и катода в радиоэлектронных элементах пользуются справочными материалами.
На назначение электродов указывает:
- форма корпуса (рис. 3);
- длина выводов (для светодиодов) (рис. 4);
- метки на корпусах приборов или знака анода;
- различная толщина выводов диода.
Рис. 3. Диод
Рис. 4. Электроды светодиода Определение назначений выводов у полупроводниковых диодов можно определить с помощью измерительных приборов. Например, все типы диодов (кроме стабилитронов) проводят ток только в одном направлении. Если вы подключили тестер или омметр к диоду, и он показал незначительное сопротивление, то к положительному щупу прибора подключен анод, а к отрицательному – катод.
Если известен тип проводимости транзистора, то с помощью того же тестера можно определить выводы эмиттера и коллектора. Между ними сопротивление бесконечно велико (тока нет), а между базой и каждым из них проводимость будет (только в одну сторону, как у диода). Зная тип проводимости, по аналогии с диодом, можно определить: где анод, а где катод, а значит определить выводы коллектора или эмиттера (см. рис. 5).
Рис. 5. Транзистор на схемах и его электроды
Что касается вакуумных диодов, то их невозможно проверить путем измерения обычными приборами. Поэтому их выводы расположены таким образом, чтобы исключить ошибки при подключении. В электронных лампах выводы точно совпадают с расположением контактов гнезда, предназначенного для этого радиоэлемента.
Параметры акустического кабеля для колонок
Аудиопровод обладает тремя базовыми свойствами: емкость, индуктивность и сопротивление. Из-за условий, в которых функционирует провод динамика, важнейшим качеством для него является сопротивление. Это основной параметр, отличающий акустический кабель от обычного. Это обусловлено довольно невысокими частотами и абсолютным сопротивлением системы. Большая часть звуковых установок обладает импедансом от 4 до 15 Ом.

Строение акустического кабеля
Повышение сопротивления способно влиять на эффективность системы, поскольку динамик уменьшает ток возбуждения. Следующая проблема состоит в том, что обратная ЭДС, образованная динамиком, обязана иметь первоисточник с невысоким импедансом. При увеличении импеданса первоисточника обратная ЭДС поглощается в меньшей степени. Это влияет на производительность динамика, особенно в области низких гармоник, тогда они будут не такими выраженными, приобретут менее естественное звучание.
Вам это будет интересно Особенности кабельных наконечников
В основном негативные проявления провода динамика становятся ощутимыми, когда кабельное сопротивление достигнет около 5% от общего сопротивления громкоговорителя. Поскольку оно пропорционально его длине, сопротивление АК может быть скорректировано модификацией такого параметра:
Длина обязана быть насколько возможно короче, тогда сопротивление уменьшится.
Еще одно директивное правило, которое нужно соблюдать при сборке аудиосистемы — размер линии к обоим громкоговорителям должен сохраняться одинаковым, и, следовательно, они будут иметь равное сопротивление. Система будет эффективно сбалансированной.
Обратите внимание! Чем толще провод, тем меньше сопротивление, в этом отличие качественных и некачественных изделий. Это взаимосвязь между импедансом динамика, длиной и длинной, которые влияют на сопротивление. Она должна обеспечить сопротивление speaker кабеля менее 5% от номинального импеданса динамика при разных нагрузках
Она должна обеспечить сопротивление speaker кабеля менее 5% от номинального импеданса динамика при разных нагрузках.
Преимущества светодиодного освещения
Будучи относительно новой технологией, светодиоды в большинстве случаев лучше многих источников освещения по качеству света, энергооэффективности, экологичности и рентабельности. Характеристики светодиодов превосходят параметры ламп высокого накаливания практически во всех областях применения, но такое освещение еще не может решить всех поставленных задач. Диоды белого оттенка уже прекрасно зарекомендовали себя как альтернатива люминесцентным трубчатым и лампам высокого давления. Но еще должно пройти небольшое количество времени, пока такие технологии начнут использовать в системе общественного пользования.
Какие параметры могут быть указаны в маркировке
Для конденсаторов важны три параметра:
- ёмкость;
- номинальное (рабочее) напряжение;
- допуск по отклонению ёмкости.
С первыми двумя всё ясно. Вот только стоит заметить, что на некоторых конденсаторах номинальное напряжение может быть не указано. Если предполагается высокое напряжение, надо смотреть в данных производителя.
Первым и самым важным параметром конденсатора является емкость. В связи с этим значение данной характеристики располагается на первом месте и кодируется буквенно-цифровым обозначением. Так как единицей измерения емкости является фарада, то в буквенном обозначении присутствует либо символ кириллического алфавита «Ф», либо символ латинского алфавита «F».
Так как фарад – большая величина, а используемые в промышленности элементы имеют намного меньшие номиналы, то и единицы измерения имеют разнообразные уменьшительные префиксы (мили- , микро- , нано- и пико). Для их обозначения используют также буквы греческого алфавита.
- 1 миллифарад равен 10-3 фарад и обозначается 1мФ или 1mF.
- 1 микрофарад равен 10-6 фарад и обозначается 1мкФ или 1F.
- 1 нанофарад равен 10-9 фарад и обозначается 1нФ или 1nF.
- 1 пикофарад равен 10-12 фарад и обозначается 1пФ или 1pF.
Если значение емкости выражено дробным числом, то буква, обозначающая размерность единиц измерения, ставится на месте запятой. Так, обозначение 4n7 следует читать как 4,7 нанофарад или 4700 пикофарад, а надпись вида n47 соответствует емкости в 0,47 нанофарад или же 470 пикофарад.
В случае, когда на конденсаторе не обозначен номинал, то целое значение говорит о том, что емкость указана в пикофарадах, например, 1000, а значение, выраженное десятичной дробью, указывает на номинал в микрофарадах, например 0,01.
Ёмкость конденсатора, указанная на корпусе, редко соответствует фактическому параметру и отклоняется от номинального значения в пределах некоторого диапазона. Точное значение емкости, к которой стремятся при изготовлении конденсаторов, зависит от материалов, используемых для их производства. Разброс параметров может лежать в пределах от тысячных долей до десятков процентов.
Величина допустимого отклонения ёмкости указывается на корпусе конденсатора после номинального значения путем проставления буквы латинского или русского алфавита. К примеру, латинская буква J (русская буква И в старом обозначении) обозначает диапазон отклонения 5% в ту или иную стороны, а буква М (русская В) – 20%.
Такой параметр, как температурный коэффициент емкости, входит в состав маркировки достаточно редко и наносится в основном на малогабаритные элементы, применяемые в электрических схемах времязадающих цепей. Для идентификации используется либо буквенно-цифровая, либо цветовая система обозначений.
Встречается и комбинированная буквенно-цветовая маркировка. Варианты её настолько разнообразны, что для безошибочного определения значения данного параметра для каждого конкретного типа конденсатора требуется обращение к ГОСТам или справочникам по соответствующим радиокомпонентам.
Напряжение, при котором конденсатор будет работать в течение установленного срока службы с сохранением своих характеристик, называется номинальным напряжением. Для конденсаторов, имеющих достаточные размеры, данный параметр наносится непосредственно на корпус элемента, где цифры указывают на номинальное значение напряжения, а буквы обозначают в каких единицах измерения оно выражено.
Например, обозначение 160В или 160V показывает, что номинальное напряжение равно 160 вольт. Более высокие напряжения указываются в киловольтах – kV. На малогабаритных конденсаторах величину номинального напряжения кодируют одной из букв латинского алфавита. К примеру, буква I соответствует номинальному напряжению в 1 вольт, а буква Q – 160 вольт.
Согласно «ГОСТ 30668-2000 Изделия электронной техники. Маркировка», указываются буквы и цифры, обозначающие год и месяц выпуска.
Дата, когда было осуществлено то или иное производство, может отображаться не только в виде цифр, но и в виде букв. Каждый год имеет соотношение с буквой из латинского алфавита. Месяца с января по сентябрь обозначаются цифрами от одного до девяти. Октябрь месяц имеет соотношение с цифрой ноль. Ноябрю соответствует буква латинского типа N, а декабрю – D.
ГодКод
| 1990 | A |
| 1991 | B |
| 1992 | C |
| 1993 | D |
| 1994 | E |
| 1995 | F |
| 1996 | H |
| 1997 | I |
| 1998 | K |
| 1999 | L |
| 2000 | M |
| 2001 | N |
| 2002 | P |
| 2003 | R |
| 2004 | S |
| 2005 | T |
| 2006 | U |
| 2007 | V |
| 2008 | W |
| 2009 | X |
| 2010 | A |
| 2011 | B |
| 2012 | C |
| 2013 | D |
| 2014 | E |
| 2015 | F |
| 2016 | H |
| 2017 | I |
| 2018 | K |
| 2019 | L |
Урок 2.3 — Конденсаторы
Маркировка конденсаторов при выборе какого-либо элемента в схеме имеет большое значение. Она разнообразная и сложная по сравнению с резисторами. Специалист, который работает непосредственно с конденсаторами должен обязательно знать, как расшифровывается та или иная маркировка. По международному стандарту — начинают читать с единиц измерения. Фарады применяются для измерения ёмкости. Маркировку наносят на корпус самого устройства. Иногда наносят маркеры, которые указывают на допустимые отклонения от нормы емкости самого конденсатора указывается в процентах. Порой, вместо них используется буква, которая обозначает то или иное значение самого допуска.
Способы определения полярности конденсатора
По маркировке
У большинства конденсаторов-электролитов отечественных, а также ряда государств бывшего соцлагеря, обозначается лишь положительный вывод. Соответственно, второй – это минус. Но вот символика может быть разной. Она зависит от страны-изготовителя и года выпуска радиодетали. Последнее объясняется тем, что с течением времени изменяются нормативные документы, вступают в силу новые стандарты.
Все о цветовой маркировке конденсатора вы можете узнать здесь.

Примеры обозначения плюса конденсатора
- Символ «+» на корпусе около одной из ножек. В некоторых сериях она проходит через его центр. Это относится к конденсаторам цилиндрической формы (бочкообразным), с «дном» из пластмассы. Например, К50-16.
- У конденсаторов типа ЭТО полярность иногда не обозначается. Но определить ее визуально можно, если посмотреть на форму детали. Вывод «+» расположен со стороны, имеющий больший диаметр (на рисунке плюс вверху).

Если конденсатор (так называемая коаксиальная конструкция) предназначен для монтажа способом присоединения корпуса к «шасси» прибора (являющимся минусом любой схемы), то центральный контакт – плюс, без всякого сомнения.
Обозначение минуса
Это относится к конденсаторам импортного производства. Рядом с ножкой «–», на корпусе, имеется своеобразный штрих-код, представляющий собой прерывистую полосу или вертикальный ряд из черточек. Как вариант – длинная полоска вдоль осевой линии цилиндра, один конец которой указывает на минус. Она выделяется на общем фоне своим оттенком.

По геометрии
Если у конденсатора одна ножка длиннее другой, то это – плюс. В основном подобным образом также маркируются изделия импортные.

С помощью мультиметра
Такой способ определения полярности конденсатора практикуется, если его маркировка трудночитаема или полностью стерта. Для проверки необходимо собрать схему. Понадобится или мультиметр с внутренним сопротивлением порядка 100 кОм (режим – измерение I=, предел – микроамперы)

или источник постоянного тока + милливольтметр + нагрузка

О том, как проверить конденсатор мультиметром, читайте здесь.
Что сделать
- Полностью разрядить конденсатор. Для этого достаточно его ножки замкнуть накоротко (жалом отвертки, пинцетом).
- Подключить емкость в разрыв цепи.
- После окончания процесса заряда зафиксировать значение тока (он будет постепенно уменьшаться).
- Разрядить.
- Снова включить в схему.
- Считать показания прибора.
Если плюсовой щуп мультиметра был соединен с «+» конденсатора, то разница в показаниях должна быть незначительной. В случае если полярность перепутана (плюс на минус), то отличие результатов измерений будет существенной.
Рекомендация. Определение полярности прибором целесообразно делать в любом случае. Это позволит одновременно произвести и диагностику детали. Если электролит, имеющий большой номинал, заряжается сравнительно быстро от источника 9±3 В, то это свидетельство того, что он «подсох». То есть утратил часть своей емкости. Его лучше в схему не ставить, так как ее работа может быть некорректной, и придется заниматься дополнительными настройками.






























