Подключение АВР
Перед тем как выполнять подключение, необходимо правильно разместить все детали в электрическом щите. Они устанавливаются таким образом, чтобы не было пересечений проводников, обеспечивался свободный доступ к контактам и клеммам. После этого выполняется подключение силовой части АВР и контроллеров в соответствии с принципиальной электрической схемой.
Коммутация силовой части и контроллеров осуществляется с помощью контакторов. После всех подключений выполняется непосредственное соединение АВР с генератором. Правильность и качество подключений и соединений проводников и других элементов проверяется с помощью мультиметра.
При использовании обычного режима, когда подача напряжения производится от обычной ЛЭП, в системе АВР срабатывает автоматика для генератора и происходит включение первого магнитного пускателя, подающего напряжение к щиту частного дома. С наступлением аварийного режима, при котором напряжение в сети отсутствует, при помощи реле выполняется отключение магнитного пускателя № 1 и подача сигнала генератору на производство автозапуска. После начала работы генератора в щите АВР наступает срабатывание второго магнитного пускателя, через который напряжение начинает поступать на распределительный щит домашней электрической сети.
Работа в таком режиме будет продолжаться до появления основной подачи электричества или до окончания горючего в самом генераторе. Когда основное напряжение включается в сеть, генератор и магнитный пускатель № 2 выключаются, а магнитный пускатель № 1, наоборот, включается, и вся система переходит на обычный режим работы.
Установка щита автоматического ввода резерва выполняется после электросчетчика. Таким образом, во время работы генератора учет потребленной электроэнергии не производится. Кроме того, щит АВР для генератора устанавливается до основного щита домашней сети. В результате, он оказывается установленным между счетчиком электроэнергии и распределительным щитом.
Если суммарная мощность потребителей, имеющихся в доме, превышает возможности генератора или сам агрегат недостаточно мощный, на его линию подключаются только те приборы и оборудование, которые действительно необходимы для обеспечения нормальной жизнедеятельности объекта до того момента, пока не будет включено основное электропитание.
Промышленные системы АВР
Среди отечественных производителей комплексных систем автоматического включения резерва выделяется предприятие ОАО «Контактор», которое поставляет на российский рынок шкафы АВР с различной логикой (секционированное и несекционированное питание, с возможностью подключения дополнительного автономного генератора и т.д.) и элементной базой (схема управления может быть как релейной, так и микропроцессорной).
Силовая часть системы собрана на автоматических выключателях ВА50-45Про номинальным током до 6300 Ампер, производителем которых является тот же «Контактор». Данные устройства предназначены для работы на стороне 0.4 кВ. Схемы АВР в установках выше 1000В тоже широко применяются, но это уже отдельная история.
Блок авр на 2 ввода
Определенный интерес представляет моноблочная конструкция системы автоматического ввода резерва от китайской фирмы ANDELI под названием HATS7. Удобная панель управления позволяет настроить алгоритм работы под нужды клиента, силовая часть системы, показанной на фото слева, рассчитана на токи до 160А. Ну так как китайский ампер будет поменьше нашего (шутка), я бы не пробовал его на длительных токах выше 100А. Панель управления может быть вынесена за пределы щита в более удобное место — например, на дверцу щита. Данный блок АВР можно настроить на работу с двумя линиями либо с одной линией и автономным генератором. Силовая часть — это два автомата либо контактора, которыми управляет приводной механизм. Естественно, электрическая и механическая блокировка имеется. Каким образом это делается на автоматах — смотрите на рисунке справа.
АВР на реверсивном рубильнике с электроприводом
Такая конструкция интересна прежде всего тем, что потребляет электроэнергию только в момент переключения, в отличие от контакторов, реле и т.п. Здесь практически исключена какая-либо вероятность электрического контакта одного ввода с другим. Например, разъединитель с автоматическим переключением серии NH40SZ может работать в следующих режимах:
- Сетевой источник питания – резервный источник питания, автоматическое переключение, самовозврат
- Основной – основной источник питания, автоматическое переключение и самовозврат с тестированием потери фазы
- Основной – основной источник питания, автоматическое переключение и самовозврат с тестированием перенапряжения и минимального напряжения
- Основной источник питания – генератор, автоматическое переключение и самовозврат с тестированием перенапряжения, минимального напряжения и частоты
Схема ввода резерва с разрывом ноля
Без разрыва можно применять в том случае, если у вас есть две независимые линии эл.передач или кабельных ввода, от которых вы собственно и подключаете весь дом. А вот когда резервной линией является какой-то автономный источник энергии – ИБП или генератор, то здесь придется разрывать как фазу, так и ноль.

Так как основная сеть в 90% случаев выполнена с глухозаземленной нейтралью, а от генератора или ИБП идет с изолированной. Здесь объединять нулевой рабочий проводник от сети, с нулем от генератора нельзя.
Естественно, что все контакторы подключаются после счетчика kWh. QF – это модульные автоматы в щитке дома.

Если у вас второй источник питания подает напряжение не автоматически, например бензиновый генератор без пусковой аппаратуры. Который нужно сначала вручную завести, прогреть и только потом переключиться, то схемку можно немного изменить, добавив туда одну единственную кнопку.

За счет нее не будет происходить автоматического переключения. Вы сами выберите для этого нужный момент, нажав ее когда потребуется. Монтируется эта кнопка SB1 параллельно катушке контактора.

Когда у вас напряжение на основном вводе не исчезает на долго, а периодически пропадает и появляется (причины могут быть разными), в этом случае не желательны постоянные переключения контакторов туда-обратно. Здесь целесообразно использовать специальную приставку к контактору типа ПВИ-12 с задержкой времени.

Общее описание системы
Для обеспечения повышенной надёжности электроснабжения потребителей обычно применяются схемы, включающие несколько источников питания, в том числе автономных. Автоматическое переключение электропитания с одного источника на другой осуществляют специальные устройства — системы АВР (автоматическое включение резерва). Функциональный алгоритм этой автоматики в общем случае может быть представлен следующим образом:
- осуществление постоянного контроля наличия напряжения на линиях питания нагрузки (может выполняться на одной или на трёх фазах);
- при возникновении аварийной ситуации на рабочем вводе (понижение напряжения ниже установленного уровня, обрыв нейтрали), запускается орган выдержки времени отключения рабочего питания (tоткл);
- отключение рабочего ввода и запуск органа задержки включения ввода резервного питания либо секционного выключателя (tвкл), в зависимости от схемы электроснабжения;
- подключение резервного источника (либо запуск автономного генератора);
- после восстановления напряжения на рабочем вводе через промежуток времени tвозвр система АВР отрабатывает в обратном порядке, возвращая схему в исходное состояние.
Схема АВР на двух магнитных пускателях
При сборке схемы автоматического ввода резерва можно выбрать три варианта. Два более простых и один посложнее. Рассмотрим каждый из вариантов схемы поподробнее.
Простейшая схема АВР для двух однофазных вводов собирается всего лишь на одном магнитном пускателе. Для этого понадобится контактор с двумя парами контактов:

нормально разомкнутым
нормально замкнутым
Если таковых в вашем контакторе не оказалось, можно использовать специальную приставку.
Только учтите, что контакты у большинства из них не рассчитаны на большие токи. А если вы решите подключать через АВР нагрузку всего дома, то уж точно не стоит этого делать, используя блок контакты расположенные по бокам стандартных пускателей.
Вот самая простая схема АВР:

Катушка магнитного пускателя подключается на один из вводов. В нормальном режиме напряжение поступает на катушку, она замыкает контакт КМ1-1, а контакт КМ1-2 размыкается.

SF1 и SF2 в схеме – это однополюсные автоматические выключатели.
Напряжение через контактор поступает к потребителю. Дополнительно в схеме могут быть подключены сигнальные лампы. Они визуально будут показывать какой из вводов в данный момент подключен. Немного измененная схемка с лампочками:

Если напряжение на первом вводе исчезло, контактор отпадает. Его контакты КМ1-1 размыкаются, а КМ2-1 замыкаются. Напряжение начинает поступать к потребителю с ввода №2.

Если вам в нормальном режиме просто нужно проверить работоспособность схемы, то выключите автомат SF1 и смотрите как реагирует сборка. Все ли работает исправно.
Самое главное здесь изначально проконтролировать на какой ток рассчитаны эти самые нормально замкнутые и разомкнутые контакты.

При этом обратите внимание, что эту простейшую схему можно собрать двумя способами:
без разрыва ноля
с разрывом нулевого провода
Без разрыва можно применять в том случае, если у вас есть две независимые линии эл.передач или кабельных ввода, от которых вы собственно и подключаете весь дом. А вот когда резервной линией является какой-то автономный источник энергии – ИБП или генератор, то здесь придется разрывать как фазу, так и ноль.

Естественно, что все контакторы подключаются после счетчика kWh. QF – это модульные автоматы в щитке дома.

Если у вас второй источник питания подает напряжение не автоматически, например бензиновый генератор без пусковой аппаратуры. Который нужно сначала вручную завести, прогреть и только потом переключиться, то схемку можно немного изменить, добавив туда одну единственную кнопку.

За счет нее не будет происходить автоматического переключения. Вы сами выберите для этого нужный момент, нажав ее когда потребуется. Монтируется эта кнопка SB1 параллельно катушке контактора.

Когда у вас напряжение на основном вводе не исчезает на долго, а периодически пропадает и появляется (причины могут быть разными), в этом случае не желательны постоянные переключения контакторов туда-обратно. Здесь целесообразно использовать специальную приставку к контактору типа ПВИ-12 с задержкой времени.

Трехфазная схема практически аналогична однофазной.

Только особо следите за правильной фазировкой АВС. Она должна совпадать на вводе-1 с вводом-2. Иначе 3-х фазные двигатели после переключения будут крутиться в обратную сторону.
Вторая схема немного посложнее. В ней используется уже два магнитных пускателя.

Допустим, у вас есть два трехфазных ввода и один потребитель. В схеме применены магнитные пускатели с 4-мя контактами:
3 нормально разомкнутые
1 нормально замкнутый КМ1
Катушка пускателя КМ1 подключается через фазу L3 от первого ввода и через нормально замкнутый контакт КМ2. Таким образом, когда вы подаете питание на ввод №1, катушка первого пускателя замыкается и вся нагрузка подключается к источнику напряжения №1.
Варианты схем для реализации АВР с описанием
Приведем несколько рабочих примеров, которые можно успешно применить при создании щита автоматического запуска. Начнем с простых схем для бесперебойной системы электроснабжения жилого дома.
Простые
Ниже представлен вариант схемы АВР, переключающей подачу электричества в дом с основной линии на генератор. В отличие от приведенного выше примера, здесь предусмотрена защита от короткого замыкания, а также электрическая и механическая блокировка, исключающая одновременную работу от двух вводов.
Схема АВР для дома
Обозначения:
- AB1 и AB2 – двухполюсные автоматические выключатели на основном и резервном вводе.
- К1 и К2 – катушки контакторов.
- К3 – контактор в роли реле напряжения.
- K1.1, K2.1 и K3.1 – нормально-замкнутые контакты контакторов.
- К1.2, К2.2, К3.2 и К2.3 – нормально-разомкнутые контакты.
После переводов автоматов АВ1 и АВ2 алгоритм работы блока АВР будет следующим:
- Штатный режим (питание от основной линии). Катушка К3 насыщается и реле напряжения срабатывает, замыкая контакт К3.2 и размыкая К3.1. В результате напряжение поступает на катушку пускателя К2, что приводит к замыканию К2.2 и К2.3 и размыканию К2.1. Последний играет роль электрической блокировки, не допускающей подачи напряжения на катушку К1.
- Аварийный режим. Как только напряжение в главной линии исчезает или «падает» ниже допустимого предела, катушка К3 перестает насыщаться и контакты реле принимают исходную позицию (так, как показано на схеме). В результате на катушку К1 начинает поступать напряжение, что приводит к изменению положения контактов К1.1 и К1.2. Первый играет роль электрической защиты, не допуская подачи напряжения на катушку К2, второй снимает блокировку подачи питания на нагрузку.
- Чтобы работала механическая блокировка (на схеме отображена в виде перевернутого треугольника) необходимо использовать реверсивный пускатель, где ее наличие предполагается конструкцией электромеханического прибора.
Теперь рассмотрим два варианта простых АВР для трехфазного напряжения. В одном из них энергоснабжение будет организовано по односторонней схеме, во втором применено двухстороннее исполнение.
Рисунок 6. Пример односторонней (В) и двухсторонней (А) реализации простого трехфазного АВР
Обозначения:
- AB1 и AB2 – трехполюсные автоматы защиты;
- МП1 и МП2 – магнитные пускатели;
- РН – реле напряжения;
- мп1.1 и мп2.1 – групповые нормально-разомкнутые контакты;
- мп1.2 и мп2.2 – нормально-замкнутые контакты;
- рн1 и рн2 – контакты РН.
Рассмотрим схему «А», у которой два равноправных ввода. Чтобы не допустить одновременное подключение линий применяется принцип взаимной блокировки, реализованный на контакторах МП1 и МП2. От какой линии будет питаться нагрузка, определяется очередностью включения автоматов АВ1 и АВ2. Если первым включается АВ1, то срабатывает пускатель МП1, при этом разрывается контакт мп1.2, блокируя поступление напряжение на катушку МП2, а также замыкается контактная группа мп1.1, обеспечивающая подключение источника 1 к нагрузке.
При отключении источника 1 контакты пускателя ПМ1 возвращаются в исходное положение, что приводит в действие контактор ПМ2, блокирующий катушку первого пускателя и включающий подачу питания от источника 2. При этом нагрузка будет оставаться подключенной к этому вводу, даже если работоспособность источника 1 пришла в норму. Переключение источников можно делать в ручном режиме манипулируя выключателями АВ1 и АВ2.
В тех случаях, когда требуется одностороння реализация, применяется схема «В». Ее отличие заключается в том, что в цепь управления добавлено реле напряжения (РН), возвращающее подключение на основной источник 1, при восстановлении его работы. В этом случае размыкается контакт рн2, отключающий пускатель МП2 и замыкается рн1, позволяя включиться МП1.
Основные типы шкафов и щитов АВР
Щит АВР на два ввода на контакторах (пускателях)
Установка шкафа АВР на пускателях – это самый простой способ создать резервное питание. Этот шкаф — наиболее бюджетный вариант установки АВР. Как правило, в шкафах АВР на 2 ввода используют автоматические выключатели. Они нужны для того, чтобы защитить систему от перегрузок и замыканий. Защиту от перекоса фаз и скачков напряжения осуществляет реле напряжения. Кроме этого, реле становятся «мозгом» всей системы автоматического ввода резерва.
Шкаф АВР с двумя контакторами работает по следующему принципу. Два контактора подключены к первому и второму источнику соответственно. Первый контактор замкнут, а у второго цепь разомкнута. Электричество идет через ввод № 1.

Если подача тока на первом вводе пропадет, а на втором будет нормальной, то контакты второго пускателя замкнутся, и механизм переключится на него. Как только на первом вводе напряжение восстановится – схема перейдет в первоначальное состояние.
При помощи реле здесь можно отрегулировать время задержки, с которой будет осуществляться переключение с одного источника на другой. Оптимальная задержка – от 5 до 10 секунд, она позволит обезопасить систему от ложного срабатывания АВР. Ложное срабатывание может произойти, например, в случае просадки напряжения.
Щит АВР на 2 ввода на автоматах с моторным приводом
Они лучше всего подходят для использования при номинальных токах 250-6300А. Когда ток на основном вводе пропадает, специальные электромоторы получают сигнал и взводят пружины запасного выключателя, переключая нагрузку на другой ввод.
Схемы применения и подключения реле контроля фаз и напряжения РНЛ-1
Модель потребляет меньше 2 ВА. После нормализации напряжения контрольное устройство вновь включает подачу электроэнергии через период времени, указанный в заводских настройках.
Преимущества реле контроля фаз В сравнении с другими устройствами аварийных отключений данные электронные реле отличаются рядом весомых преимуществ: в сравнении с реле контроля напряжения не зависит от влияния ЭДС питающей сети, так как его работа отстраивается от тока; позволяет определять аномальные скачки не только в трехфазной сети питания, но и со стороны нагрузки, что позволяет расширить спектр защищаемых компонентов; в отличии от реле, работающих на изменение тока в электродвигателях, данное оборудование позволяет фиксировать еще и параметр напряжения, обеспечивая контроль по нескольким параметрам; способно определить дисбаланс уровней питающих напряжений из-за неравномерности загрузки отдельных линий, что чревато перегревом двигателя и снижением параметров изоляции; не требует формирования дополнительной трансформации со стороны рабочего напряжения
Сгоревшая обмотка статора мотора — можно сказать, обычное явление там, где не предусматривалось внедрение в цепь управления релейного контроля Исходя из всех описанных технических и технологических факторов, становится очевидной важность применения этого типа реле и не только для случаев эксплуатации электрических двигателей, но также для генераторов, трансформаторов и прочего электрооборудования. Если зарубежные производители маркируют по одним канонам, то отечественные — по другим
В связи с этим, необходим постоянный контроль над состоянием фаз, осуществляемый с помощью трехфазного реле контроля напряжения, установленного в сети. Так выглядит одна из моделей реле контроля напряжения.
На практике применяется для контроля наличия U и правильности симметрии. При выходе за заданные значения какой-либо из фаз, срабатывает реле, отвечающее за данный контур, а остальная нагрузка при условии нахождении в границах нужного диапазона продолжает работать. Следующие две буквы А — регулирование с помощью потенциометра и тип монтажа под дин-рейку
Обнаружение разворота фазы важно, если двигатель, работающий в обратном направлении, может повредить ведомый механизм или, что еще хуже, — нанести физический вред обслуживающему персоналу. Максимальное напряжение составляет В
Такая ситуация чаще всего возникает из-за ошибки подключения. Число производимых товаров превышает единиц.
Установка коммутирующих устройств на выход реле
Далеко не все модели предоставляют весь комплекс настроек по вышеприведенным параметрам. Установкой каждого из них в то или иное положение создается требуемая конфигурация
Важно учесть, что сфера применения изделия зависит от их типов реле контроля фаз напряжения ЕЛ : 11 и 11 МТ — защита источников питания, участие в системе АВР, питание преобразователей и генераторных установок. Если напряжение основного ввода в норме, то контакт реле KV1
Выявление фазового реверса Выполняется техническое обслуживание на моторном оборудовании.
Подключаемую нагрузку формируют равномерно на каждую из 3-х фаз. Это позволяет легко соединить реле контроля трехфазного напряжения с электрической цепью, соблюдая правила, одинаковые для всех типов этих устройств. Это устройство контролирует трехфазную сеть при обрыве одной и более фаз, неправильном чередование фаз, асимметрии напряжения или перекосе фаз. Яркий пример — компрессор винтового типа, неправильное подключение которого и включение на срок больше пяти секунд приводит к поломке дорогостоящего изделия. Принципиальная схема устройства показана ниже.
Таким образом, контроль происходит автоматически, при аварийной ситуации реле отключает нагрузку, а при восстановлении параметров сети включает напряжение трехфазной сети автоматически. К дополнительным плюсам стоит отнести контроль минимального и максимального U, функцию гистерезиса для 3-фазного тока. Это позволяет значительно увеличить их мощность. Изделия этого предприятия активно применяются как на гражданских объектах, так и в крупных промышленных организациях. Подключение и работа реле контроля фаз ЕЛ-11Е
Ввод №1 и ввод №2 исправны
Первый ввод является основным, второй – резервным. Устройство посредством контактов А1,В1,С1 через защитный автомат QF2 следит за напряжением на вводе-1. То же самое происходит по вводу-2, через контакты А2,В2,С2.

Так как на всех этих контактах все в норме, AVR-02 должен подать напряжение на катушку КМ. Как это происходит?
Контакт 1 и 11 формируют сигнал управления посредством реле К5. Данное реле К5, если уровень напряжения нормален на обоих вводах, должно включить ввод№1. То есть находится в том положении, как на изначальной схеме. Напряжение через него попадает на 10 контакт и идет до катушки КМ4. Это промежуточное реле. Его контакты обозначены КМ4.1 и КМ4.2

Реле срабатывает, замыкая свои контакты и напряжение через них попадает на 22-й контакт. Далее AVR включает реле К1. Через него и контакт №24 фаза достигает катушки включения КМ1. При этом другие реле К2,К3,К4 остаются разомкнутыми.

Схемы подключения АВР и их описание
Основная функция АВР – автоматическое переключение вводов, причём таким способом, чтобы исключить встречные токи.
Простая схема на рис. 4 объясняет принцип переключения.
Рисунок 4. Схема АВР
Контакты КМ1и КМ2 взаимосвязаны. После размыкания одного контакта, замыкается другой. Они не могут быть одновременно включены.
Существует множество различных схем подключения автоматического ввода резерва, но принцип их построения всегда такой: АВР устанавливают между вводом и потребителями. Обычно после электросчётчика. Сам щит с автоматикой может располагаться где угодно, но принцип его подключения именно такой. Этот принцип наглядно иллюстрирует схема на рис. 5.
Рис. 5. Наглядная схема подключения АВР
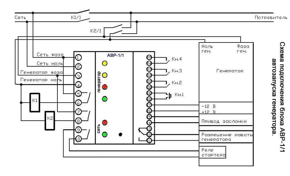
Детальная схема подключения блока автоматического запуска генератора показана на рисунке 6. На схеме К1 и К2 – это контакторы. Цифрами в кружках обозначены номера клемм. Пользуясь этой схемой не сложно подключить такой блок самостоятельно.
Рис. 6. Детальная схема подключения блока автозапуска генератора (БАГ)
Принципиальная схема подключения АВР для частного дома показана на рис. 7.
Рис. 7. Принципиальная схема
В данной схеме применено АЗУ, обеспечивающее стабильное напряжение и непрерывное питание в локальной сети.
В качестве примера приводим две схемы для трёхфазного тока (рис. 8). На изображении В показано одностороннее исполнение(дополнительное реле напряжения PH). При таком подключении генератор запускается в автоматическом режиме, после прекращения подачи электроэнергии. Другими словами, ввод от генератора является резервным.
На изображении А – исполнение двухстороннее. Обе секции имеют одинаковый приоритет. Такое подключение позволяет переключать линии, не зависимо от наличия напряжения в каждой из них.
Рис. 8. Подключение АВР для трёхфазного тока
Выбор схемы зависит от поставленной задачи, которую вы намерены решить.
Описание прибора
Автоматическим вводом резерва является система, которая нужна, чтобы обеспечить нагрузки электроснабжения резервным зарядом. Выполняется в двух вариантах. Бывает односторонней и двухсторонней. В первой есть разделение на рабочую с резервной секцией, а во второй такого нет. В первом случае можно переключиться на обычный режим или аварийный, во втором случае в этих режимах нет необходимости.
Безопасная работа электрооборудования как одно из предназначений устройства
Основная цель модуля направлена на то, чтобы система электроснабжения была более надежной. Это устройство оперативно подключает нагрузки на резервный вид ввода, когда возникают перебои электричества. Для обеспечения автоматического переключения система все время отслеживает напряжение с током. В этом заключается ее предназначение.
Расшифровка аббревиатуры АВР
Расшифровывается аббревиатура очень просто. АВР является автоматическим вводом резерва. Иногда вместо слова ввод используется включение, но это некорректно, потому что под вводом понимается генераторный запуск как резервный источник.
Как расшифровывается аббревиатура
Классификация
В зависимости от того, какое имеет блок авр исполнение, классифицируется оборудование по количеству секций, типу сети, классу напряжения, мощности и времени срабатывания.
Обратите внимание! АВР часто представлена с одним, двумя и тремя выводами для обеспечения высокой надежности сети. Также бывает однофазной, двухфазной и трехфазной. По классу напряжения обрабатывает до 1000 вольт
По классу напряжения обрабатывает до 1000 вольт.
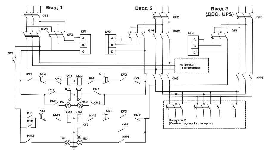
Шкаф АВР на три ввода
Основные требования
При покупке и установке в сеть пользователям требуется, чтобы АВР:
- обеспечивала подачу питания энергии при непредвиденном случае приостановления работы линии;
- максимально быстро восстанавливала электрическое питание;
- обязательно действовала однократно, то есть несколько режимов работы сразу не должно быть;
- включала основное питание до того, как будет подано резервное электрическое питание.
Кроме того, она должна осуществлять контроль за исправностью цепи управления оборудованием.
Быстрое восстановление электрического питания — основное требование к системе
17.1. Назначение авр
Высокую степень надежности электроснабжения потребителей обеспечивают схемы питания одновременно от двух и более источников питания (линий, трансформаторов), поскольку аварийное отключение одного из них не приводит к нарушению питания потребителей. Несмотря на эти очевидные преимущества многостороннего питания потребителей, большое количество п/ст, имеющих два и более источников питания, работают по схеме одностороннего питания. Одностороннее питание имеют также секции шин собственных нужд (СН). Применение такой менее надежной, но более простой схемы электроснабжения во многих случаях оказывается целесообразным для снижения токов КЗ, уменьшения потерь электроэнергии в питающих трансформаторах, упрощения РЗ, создания необходимого режима по напряжению, перетокам мощности и т.п. При развитии электрической сети одностороннее питание часто является единственно возможным решением, так как ранее установленное оборудование и РЗ не позволяют осуществить параллельную работу источников питания. Используются две основные схемы одностороннего питания потребителей при наличии двух или более источников.
В первой схеме один источник включен и питает потребителей, а второй отключен и находится в резерве. Соответственно этому первый источник называется рабочим, а второй резервным (рис. 6.1, а). Во второй схеме все источники включены, но работают раздельно на выделенных потребителей. Деление осуществляется на одном из выключателей (рис. 6.1, в).
Недостатком одностороннего питания является то, что аварийное отключение рабочего источника приводит к прекращению питания потребителей, т.е. к аварии. Этот недостаток может быть устранен быстрым автоматическим включением резервного источника или включением выключателя, на котором осуществлено деление сети. Для выполнения этой операции широко используются специальные автоматические устройства, получившие наименование автоматов включения резерва (АВР). При наличии АВР время перерыва питания потребителей в большинстве случаев определяется лишь временем включения выключателей резервного источника и составляет 0,3–0,8 с.
Рис. 6.1.
Рассмотрим принцип использования АВР на примере схем, приведенных на рис. 6.1.
а) Питание п/ст А осуществляется по рабочей линии w1 от п/ст Б. Вторая линия w2, приходящая от п/ст В, является резервной и находится под напряжением (выключатель Q3 нормально отключен). При отключении линии w1автоматически от АВР включается выключатель Q3 линии w2, чем вновь подается питание потребителем п/ст А. Схемы АВР могут иметь одностороннее или двустороннее действие. При одностороннем АВР линия w1 всегда должна быть рабочей, а линия w2 – всегда резервной. При двустороннем АВР любая из этих линий может быть рабочей и резервной.
б) Питание электродвигателей и других потребителей СН каждого агрегата э/ст осуществляется обычно от отдельных рабочих трансформаторов (Т1 и Т2). При отключении рабочего трансформатора автоматически от АВР включается выключатель Q5 и один из выключателей Q6 (при отключении Т1) или Q7 (при отключении Т2) – резервного трансформатора Т3.
в) Трансформаторы Т1 и Т2 являются рабочими, но параллельно работать не могут и поэтому со стороны низшего напряжения включены на разные системы шин. Шиносоединительный выключатель Q5 нормально отключен. При аварийном отключении любого из рабочих трансформаторов автоматически от АВР включается выключатель Q5, подключая нагрузку шин, потерявших питание, к оставшемуся в работе трансформатору. Каждый трансформатор в рассматриваемом случае должен иметь мощность, достаточную для питания всей нагрузки п/ст. В случае, если мощность одного трансформатора недостаточна для питания всей нагрузки п/ст, при действии АВР должны приниматься меры для отключения части наименее ответственной нагрузки.
г) П/ст В и Г нормально питаются радиально от п/ст А и Б соответственно. Линия w3 находится под напряжением со стороны п/ст В, а выключатель Q5 нормально отключен. При аварийном отключении линии w2 устройство АВР, установленное на п/ст Г, включает выключатель Q5, чем питание п/ст Г переводится на п/ст В по линии w3. При отключении линии w1 п/ст В и вместе с ней линия w3 остаются без напряжения. Исчезновение напряжения на трансформаторе напряжения TV также приводит в действие устройство АВР на п/ст Г, которое включением выключателя Q5 подает напряжение на п/ст В от п/ст Г.
Опыт эксплуатации показывает, что АВР является весьма эффективным средством повышения надежности электроснабжения. Успешность действия АВР составляет 90–95%. Простота схем и высокая эффективность обусловили широкое применение АВР на э/ст и в электрических сетях.






























